LEMON Manuals: Even more car manuals for everyone
Home >> Nissan-Datsun >> 2004 >> Sentra SE-R Spec V >> Repair and Diagnosis >> External Pages >> Different car >> Section 2366 (Engine Control System - Component Testing) >> Mil And Data Link Connector >> Wiring Diagram

Mil And Data Link Connector: Wiring Diagram

WARNING: This page is about a different car, the 2007 Nissan Pathfinder. However, it is still accessible from the selected car via links, so may be relevant.

Refer to POWER SUPPLY, GROUND & CIRCUIT ELEMENTS PATHFINDER-->.

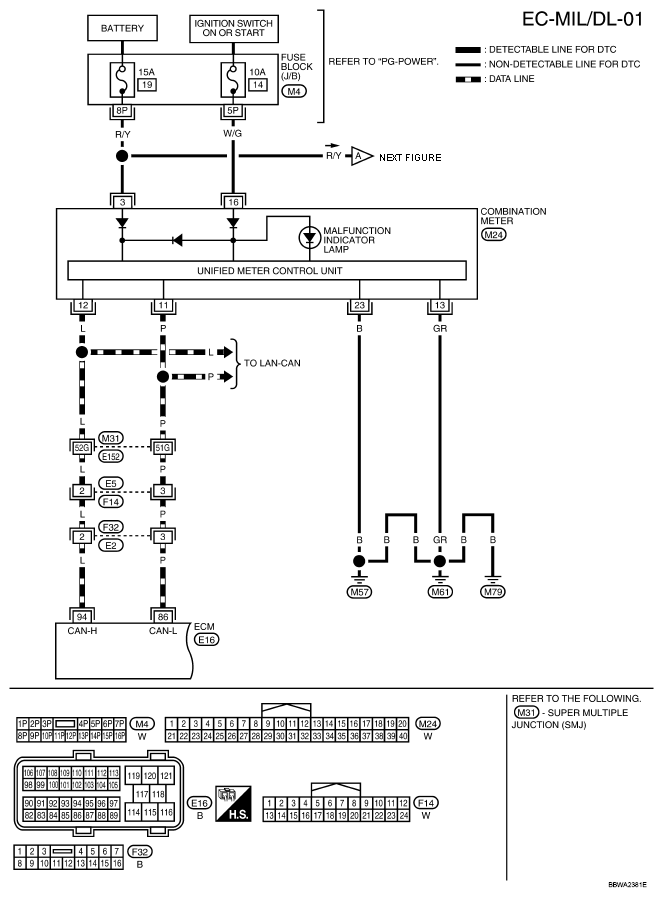
Fig 1: Identifying Wiring Diagram - EC-MIL/DL-01
G04912236Courtesy of NISSAN NORTH AMERICA, INC.
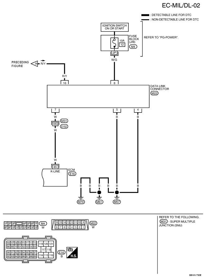
Fig 2: Identifying Wiring Diagram - EC-MIL/DL-02
G04897455Courtesy of NISSAN NORTH AMERICA, INC.