LEMON Manuals: Even more car manuals for everyone
Home >> Nissan-Datsun >> 2003 >> Sentra SE-R, Standard >> Repair and Diagnosis >> Engine Performance >> System >> Engine Controls - System & Component Testing >> Miscellaneous Controls >> Electronic Controlled Engine Mount >> Murano

Electronic Controlled Engine Mount: Murano

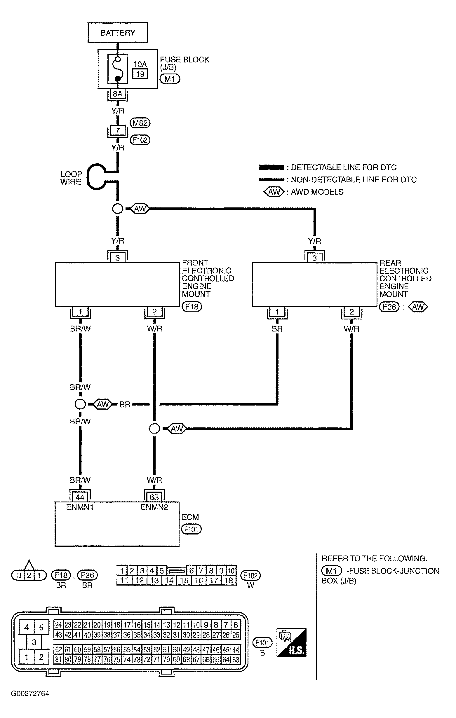
For electronic controlled engine mount system and component testing, see Fig 1-Fig 5 . For ECM location, connector and terminal view, see Figure. If problem is intermittent, see INTERMITTENTS in TROUBLE SHOOTING - NO CODES article.

Fig 1: Electronic Controlled Engine Mount System & Component Testing Procedure (Murano - 1 Of 5)
G00272763Courtesy of NISSAN MOTOR CO., U.S.A.
Fig 2: Electronic Controlled Engine Mount System & Component Testing Procedure (Murano - 2 Of 5)
G00272764Courtesy of NISSAN MOTOR CO., U.S.A.
Fig 3: Electronic Controlled Engine Mount System & Component Testing Procedure (Murano - 3 Of 5)
G00272765Courtesy of NISSAN MOTOR CO., U.S.A.
Fig 4: Electronic Controlled Engine Mount System & Component Testing Procedure (Murano - 4 Of 5)
G00272766Courtesy of NISSAN MOTOR CO., U.S.A.
Fig 5: Electronic Controlled Engine Mount System & Component Testing Procedure (Murano - 5 Of 5)
G00272767Courtesy of NISSAN MOTOR CO., U.S.A.