LEMON Manuals: Even more car manuals for everyone
Home >> Nissan-Datsun >> 2003 >> Sentra SE-R, Automatic >> Repair and Diagnosis >> External Pages >> Different car >> Section 862 (BCM (Body Control Module)) >> BCM (Body Control Module) >> Schematic

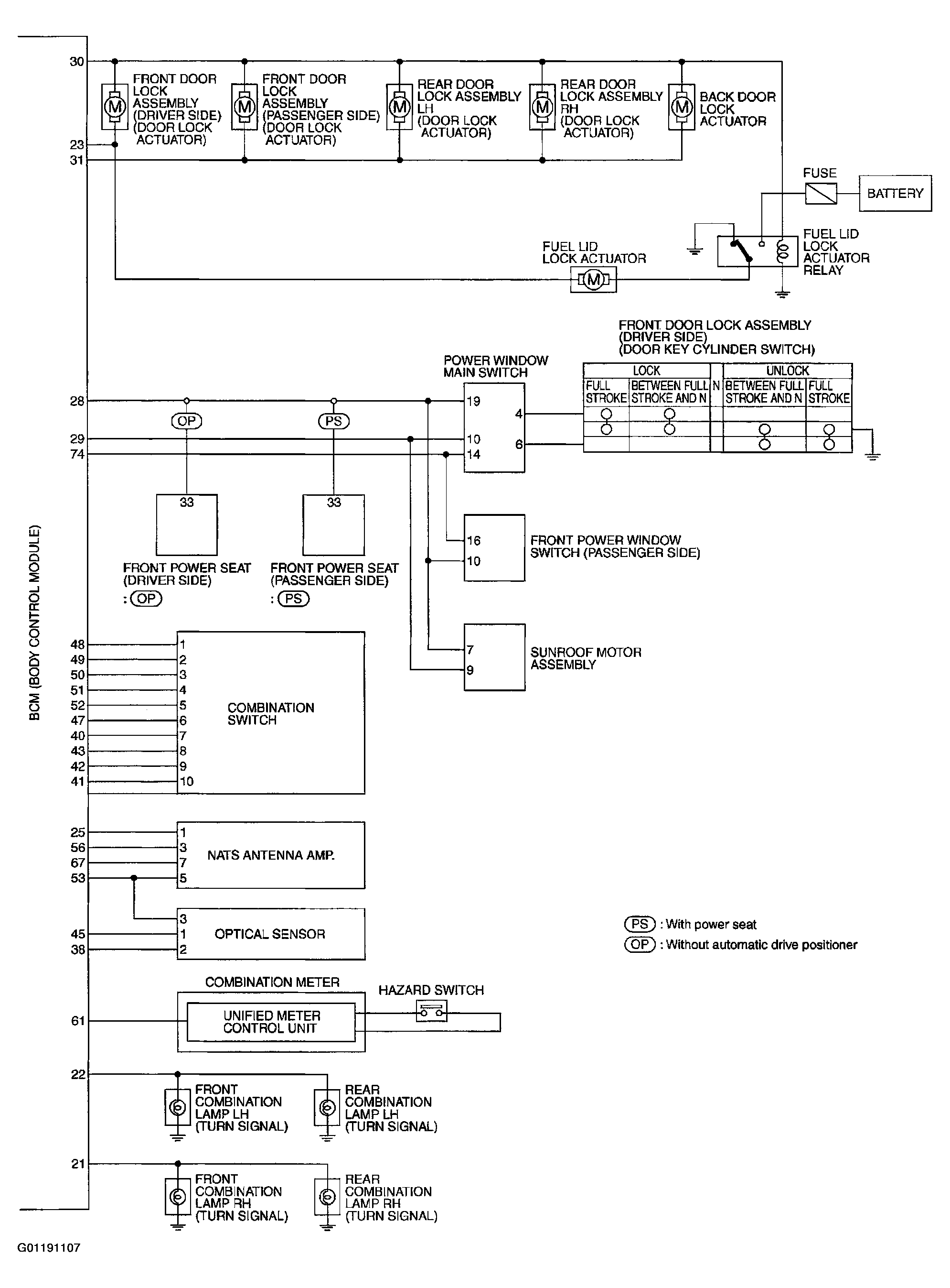
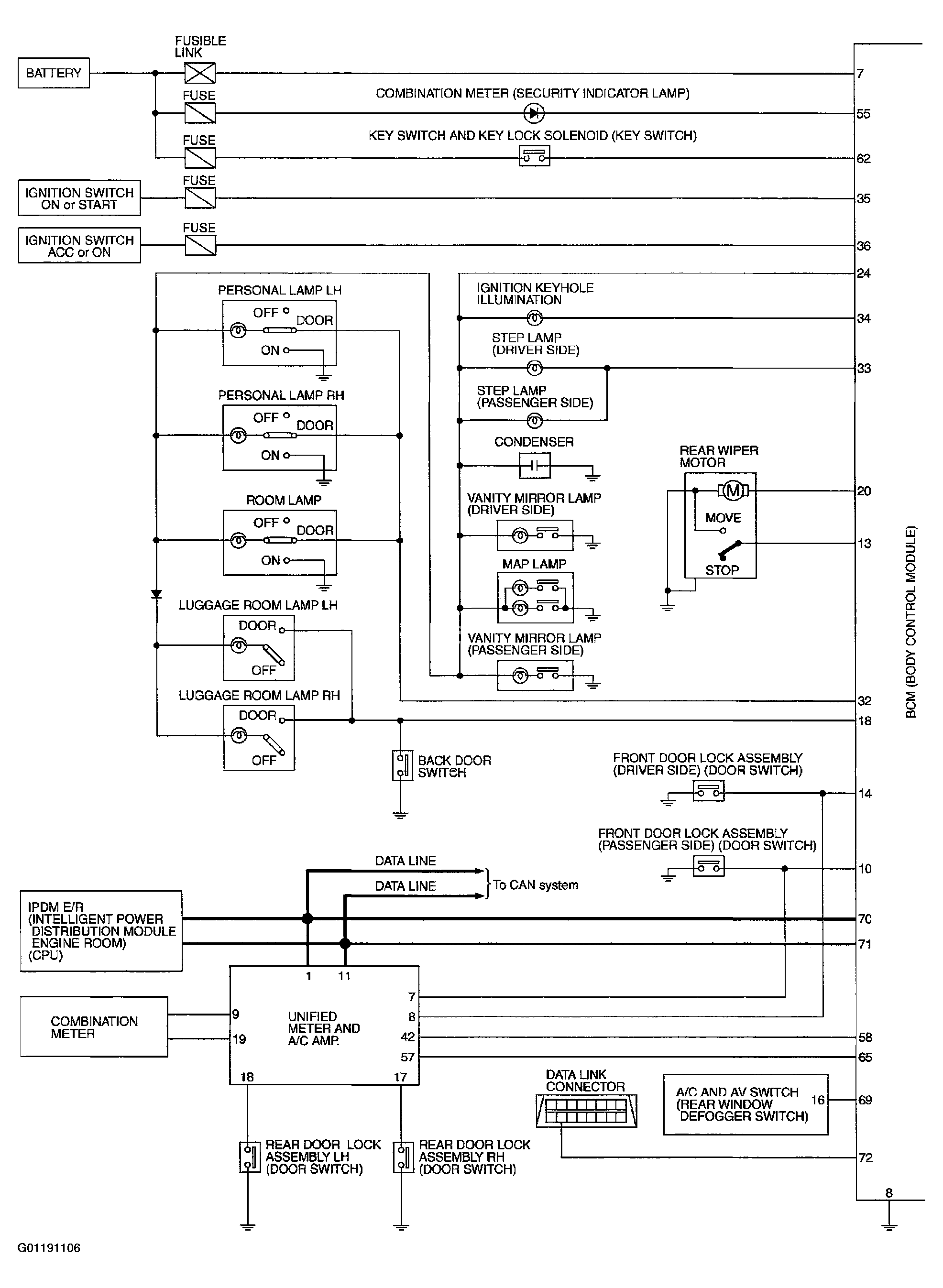
BCM (Body Control Module): Schematic

WARNING: This page is about a different car, the 2003 Nissan Murano. However, it is still accessible from the selected car via links, so may be relevant.
Fig 1: BCM (Body Control Module) Schematic
G01191106Courtesy of NISSAN MOTOR CO., U.S.A.
Fig 2: BCM (Body Control Module) Schematic
G01191107Courtesy of NISSAN MOTOR CO., U.S.A.