LEMON Manuals: Even more car manuals for everyone
Home >> Nissan-Datsun >> 2002 >> Sentra SE-R, Standard >> Repair and Diagnosis >> External Pages >> Different car >> Section 1317 (IPDM E/R (Intelligent Power Distribution Module Engine Room)) >> IPDM E/R (Intelligent Power Distribution Module Engine Room) >> Schematic

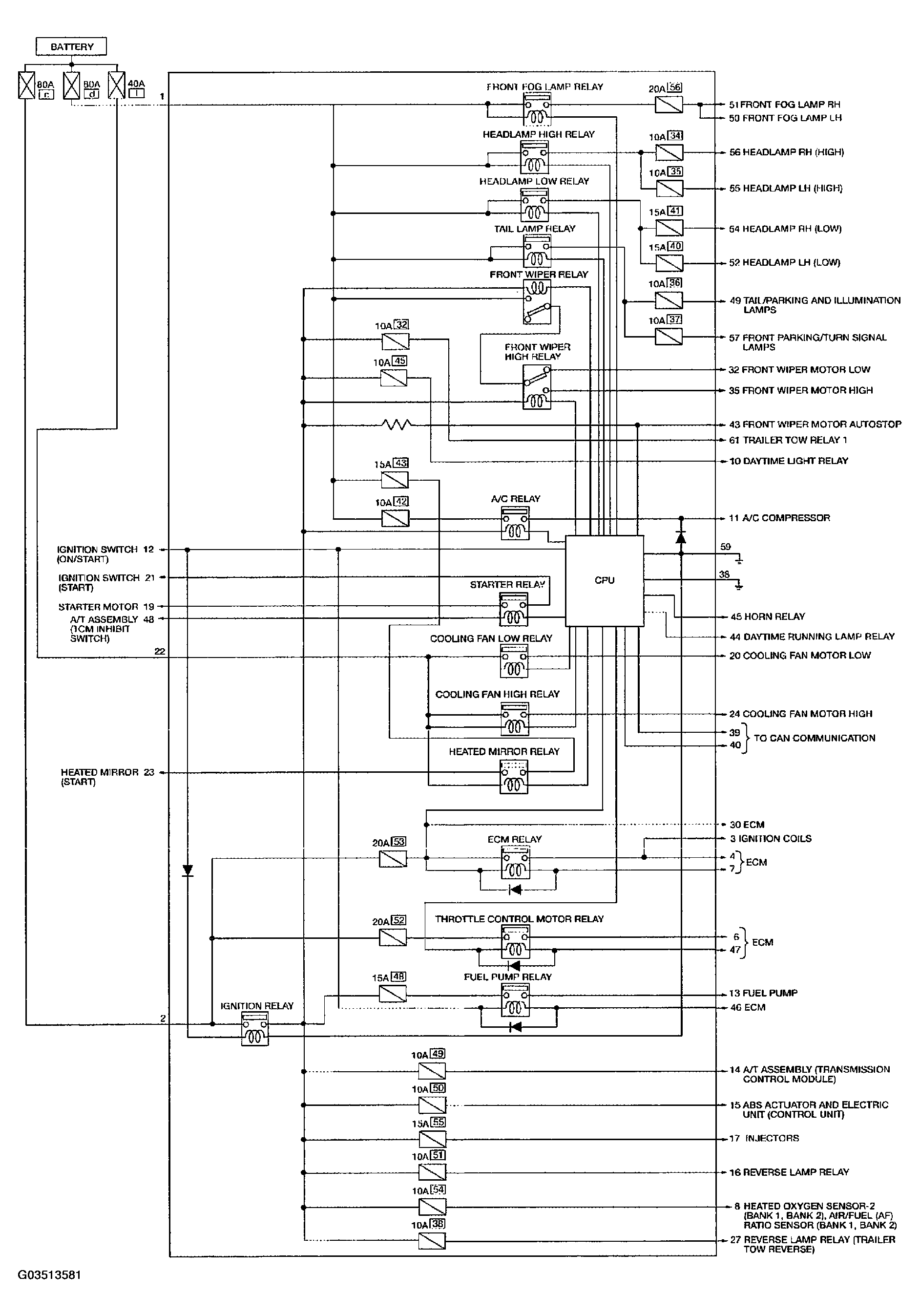
IPDM E/R (Intelligent Power Distribution Module Engine Room): Schematic

WARNING: This page is about a different car, the 2004 Nissan Titan. However, it is still accessible from the selected car via links, so may be relevant.
Fig 1: IPDM E/R (Intelligent Power Distribution Module Engine Room) Schematic
G03513581Courtesy of NISSAN MOTOR CO., U.S.A.