LEMON Manuals: Even more car manuals for everyone
Home >> Nissan-Datsun >> 2002 >> Sentra SE-R, Standard >> Repair and Diagnosis >> Body & Frame >> Body, Cab Control Systems >> Body Control System >> Smart Entrance Control Unit >> Schematic

Smart Entrance Control Unit: Schematic

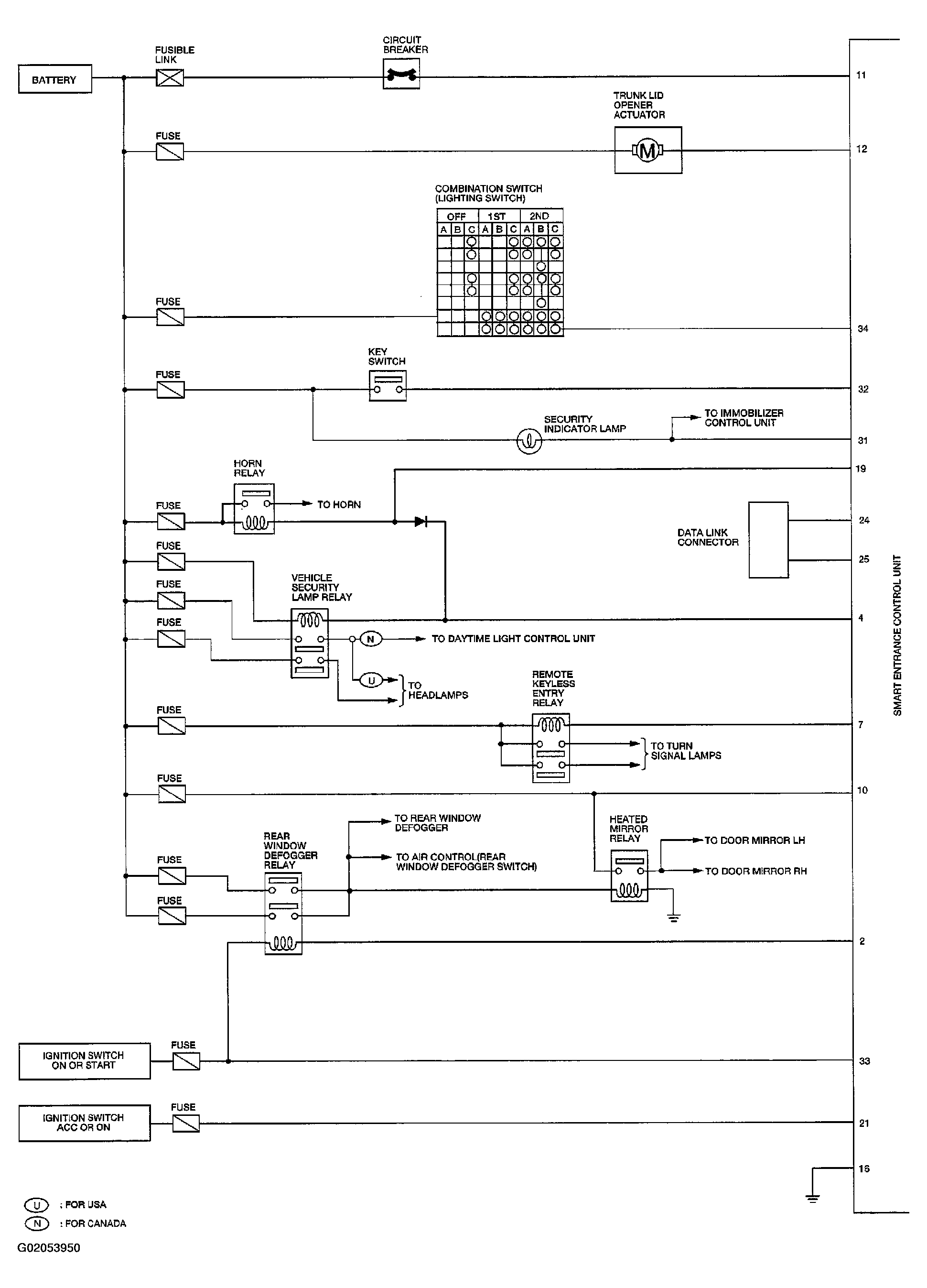
Fig 1: Smart Entrance Control Unit (1 of 2)
G02053950Courtesy of NISSAN MOTOR CO., U.S.A.
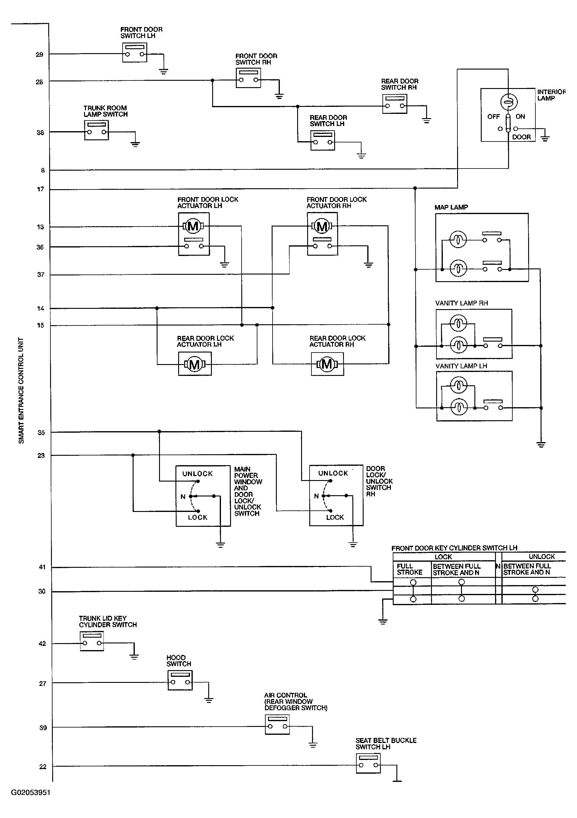
Fig 2: Smart Entrance Control Unit (2 of 2)
G02053951Courtesy of NISSAN MOTOR CO., U.S.A.