LEMON Manuals: Even more car manuals for everyone
Home >> Nissan-Datsun >> 2002 >> Sentra SE-R, Automatic >> Repair and Diagnosis >> Steering >> Steering Column >> Steering System - Power >> Power Steering Gear And Linkage >> Components

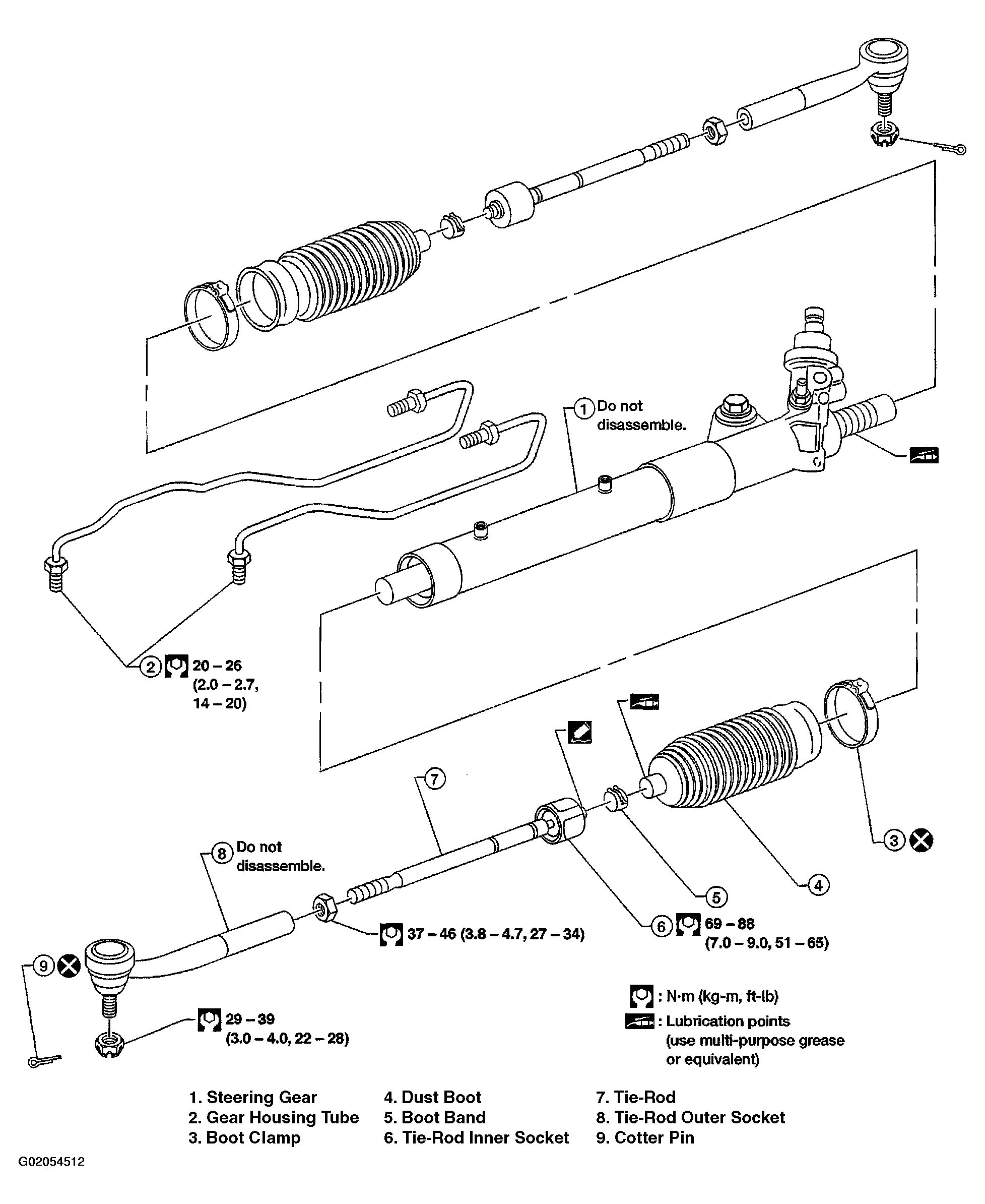
Power Steering Gear And Linkage: Components

Fig 1: Exploded View Of Power Steering Gear And Linkage
G02054512Courtesy of NISSAN MOTOR CO., U.S.A.