LEMON Manuals: Even more car manuals for everyone
Home >> Mitsubishi >> 2015 >> Lancer Evolution Final Edition >> Repair and Diagnosis >> External Pages >> Different variant/trim >> Section 41 (Starting System - Lancer Evolution) >> General Information >> Notes

General Information: Notes

WARNING: This page is about a different variant/trim than selected.

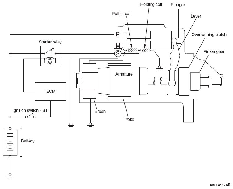
If the ignition switch is turned to the "START" position, current flows in the coil provided inside magnetic switch, attracting the plunger. When the plunger is attracted, the lever connected to the plunger is actuated to engage the starter clutch.

On the other hand, attracting the plunger will turn on the magnetic switch, allowing the "B" terminal and "M" terminal to conduct. Thus, current flows to engage the starter motor.

When the ignition switch is returned to the "ON" position after starting the engine, the starter clutch is disengaged from the ring gear.

An overrunning clutch is provided between the pinion and the armature shaft, to prevent damage to the starter.

Fig 1: Starting System Components
G09641010Courtesy of MITSUBISHI MOTOR SALES OF AMERICA.