LEMON Manuals: Even more car manuals for everyone
Home >> Mitsubishi >> 2015 >> Lancer Evolution Final Edition >> Repair and Diagnosis >> External Pages >> Different variant/trim >> Section 30 (Controller Area Network (Can) - Lancer) >> Diagnosis >> Can Bus Diagnostics >> DIAGNOSTIC ITEM 14: Diagnose when the scan tool cannot receive the data sent by ECM >> Notes

DIAGNOSTIC ITEM 14: Diagnose when the scan tool cannot receive the data sent by ECM: Notes

WARNING: This page is about a different variant/trim than selected.
CAUTION: When servicing a CAN bus line, ground yourself by touching a metal object such as an unpainted water pipe. If you fail to do so, a component connected to the CAN bus line may be damaged.
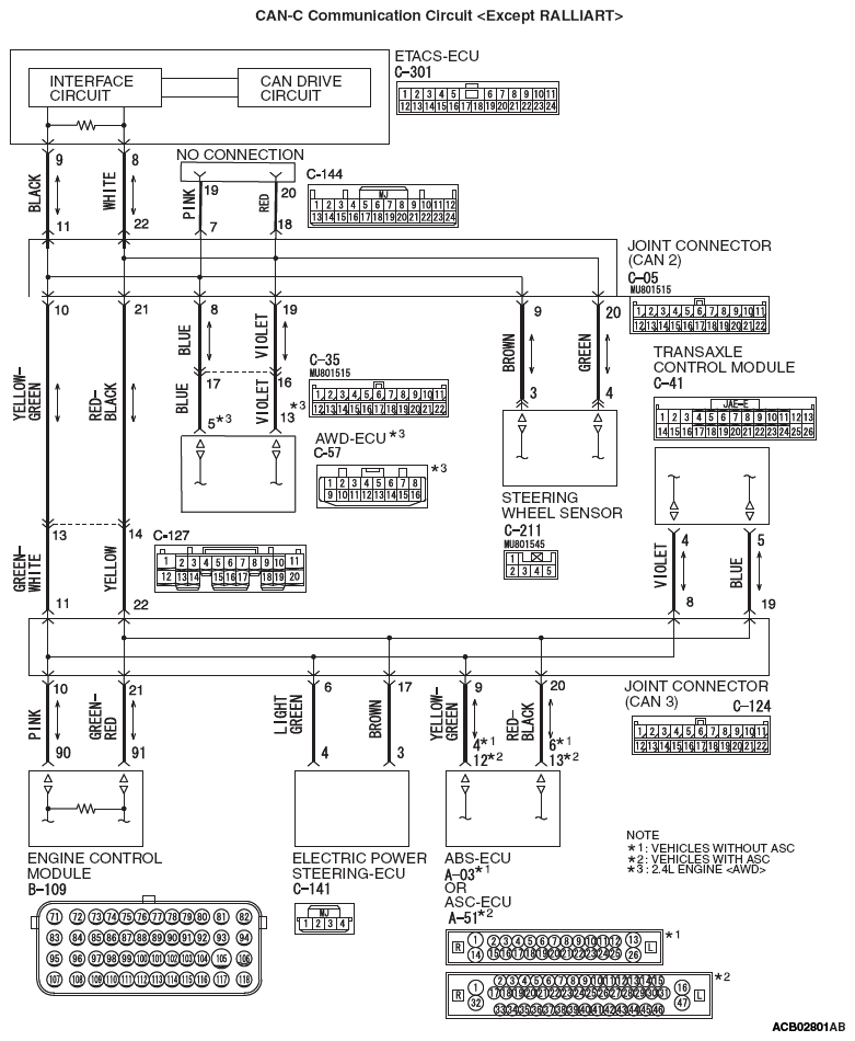
Fig 1: CAN-C Communication Circuit Diagram - Except Ralliart
G09630927Courtesy of MITSUBISHI MOTOR SALES OF AMERICA.
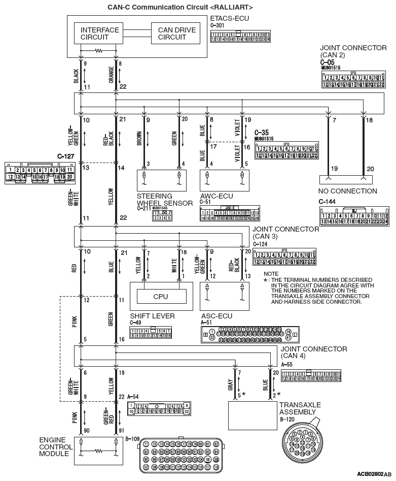
Fig 2: CAN-C Communication Circuit Diagram - Ralliart
G09630928Courtesy of MITSUBISHI MOTOR SALES OF AMERICA.
Fig 3: Locating Joint Connector And ECM Connector
G09630929Courtesy of MITSUBISHI MOTOR SALES OF AMERICA.