LEMON Manuals: Even more car manuals for everyone
Home >> Mitsubishi >> 2013 >> Lancer SE >> Repair and Diagnosis >> External Pages >> Different variant/trim >> Section 14 (Controller Area Network (Can) - Lancer Evolution) >> Diagnosis >> Can Bus Diagnostics >> DIAGNOSTIC ITEM 10: Diagnose When The Scan Tool Cannot Receive The Data Sent By ECM >> Notes

DIAGNOSTIC ITEM 10: Diagnose When The Scan Tool Cannot Receive The Data Sent By ECM: Notes

WARNING: This page is about a different variant/trim than selected.
CAUTION:

When servicing a CAN bus line, ground yourself by touching a metal object such as an unpainted water pipe. If you fail to do so, a component connected to the CAN bus line may be damaged.

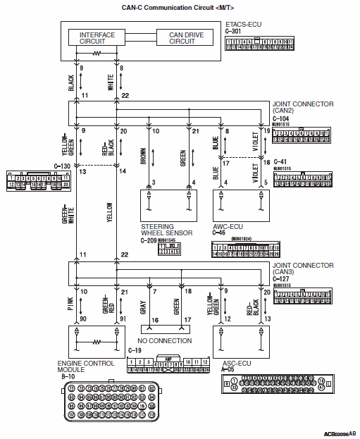
Fig 1: CAN-C Communication Circuit (M/T)
G00527103Courtesy of MITSUBISHI MOTOR SALES OF AMERICA.
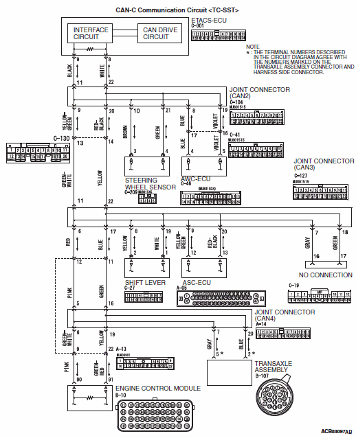
Fig 2: CAN-C Communication Circuit (TC-SST)
G00527104Courtesy of MITSUBISHI MOTOR SALES OF AMERICA.
Fig 3: Locating Connectors A-13, A-14, C-127 & B-10
G00527673Courtesy of MITSUBISHI MOTOR SALES OF AMERICA.