LEMON Manuals: Even more car manuals for everyone
Home >> Mitsubishi >> 2012 >> Eclipse SE >> Repair and Diagnosis >> Brakes >> Traction Control/Active Stability Control System >> TCL/ASC Diagnosis >> Diagnostic Trouble Code Procedures <TCL/ASC-Ecu> >> DTC C1505: Steering angle sensor (detected by ASC side); DTC C1506: Steering angle sensor error (detected by itself) >> Notes

DTC C1505: Steering angle sensor (detected by ASC side); DTC C1506: Steering angle sensor error (detected by itself): Notes

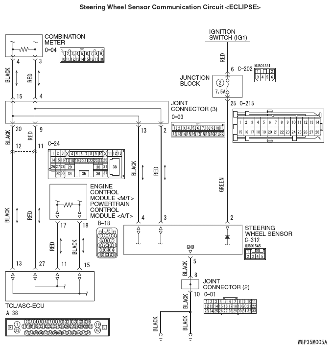
Fig 1: Steering Wheel Sensor Communication Circuit Diagram (Eclipse)
G05435510Courtesy of MITSUBISHI MOTOR SALES OF AMERICA.
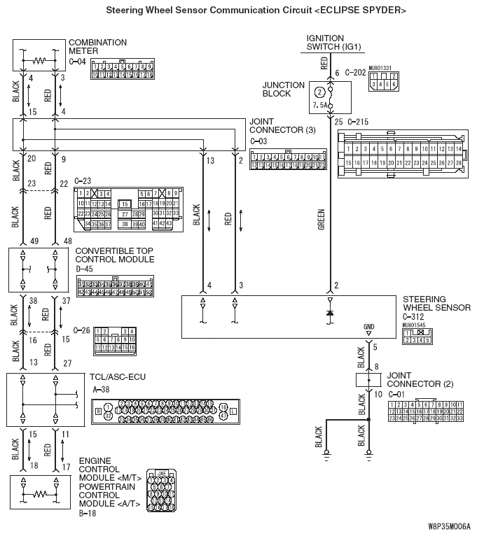
Fig 2: Steering Wheel Sensor Communication Circuit Diagram - Eclipse Spyder (1 Of 2)
G05435511Courtesy of MITSUBISHI MOTOR SALES OF AMERICA.
Fig 3: Steering Wheel Sensor Communication Circuit Diagram - Eclipse Spyder (2 Of 2)
G06689812Courtesy of MITSUBISHI MOTOR SALES OF AMERICA.
CAUTION: If there is any problem in the CAN bus lines, an incorrect diagnostic trouble code may be set. Prior to this diagnosis, diagnose the CAN bus lines.
CAUTION: The steering wheel sensor-related DTC may be set when DTC C1506 is set. Diagnose the steering wheel sensor first when the steering wheel sensor-related DTC is set.