LEMON Manuals: Even more car manuals for everyone
Home >> Mitsubishi >> 2010 >> Lancer Evolution SE >> Repair and Diagnosis >> External Pages >> Different variant/trim >> Section 63 (Controller Area Network (Can) - Lancer Evolution) >> Diagnosis >> Can Bus Diagnostics >> DIAGNOSTIC ITEM 15: Diagnose when the scan tool cannot receive the data sent by KOS-ECU >> Notes

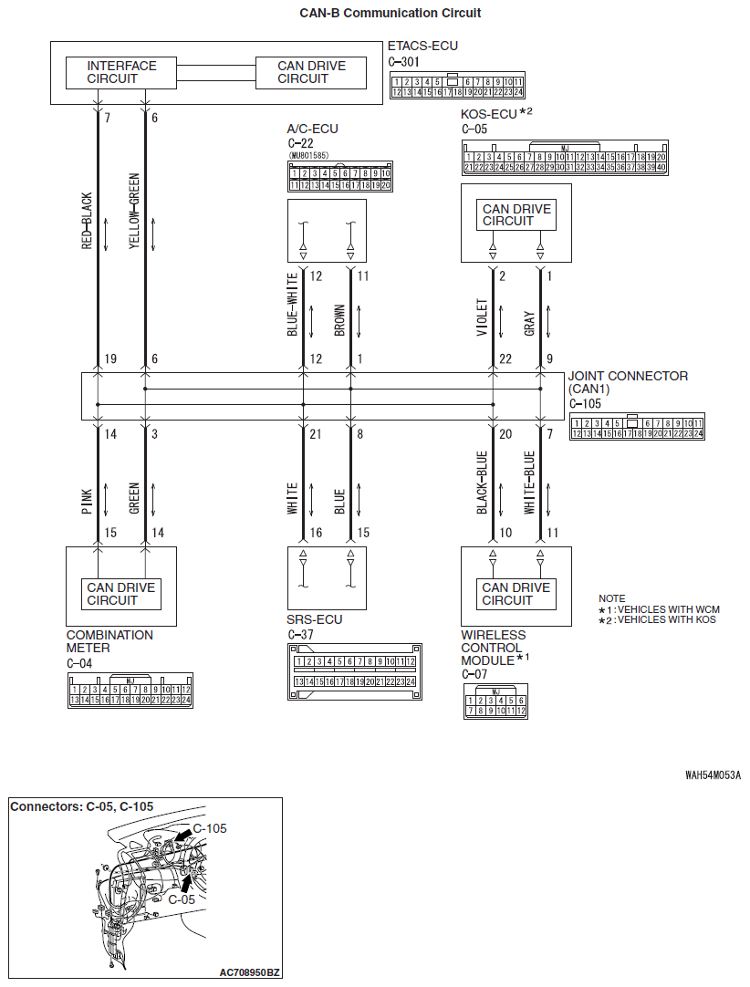
DIAGNOSTIC ITEM 15: Diagnose when the scan tool cannot receive the data sent by KOS-ECU: Notes

WARNING: This page is about a different variant/trim than selected.
CAUTION: When servicing a CAN bus line, ground yourself by touching a metal object such as an unpainted water pipe. If you fail to do so, a component connected to the CAN bus line may be damaged.
Fig 1: CAN-B Communication Circuit
G06678836Courtesy of MITSUBISHI MOTOR SALES OF AMERICA.