LEMON Manuals: Even more car manuals for everyone
Home >> Mitsubishi >> 2010 >> Lancer Evolution SE >> Repair and Diagnosis >> External Pages >> Different variant/trim >> Section 12 (Continuously Variable Transaxle On-Vehicle Service -- Lancer) >> On-Vehicle Service >> CVT Control Relay Check

CVT Control Relay Check

WARNING: This page is about a different variant/trim than selected.
  1. Remove the CVT control relay.
    Fig 1: Identifying CVT Control Relay
    G06665793Courtesy of MITSUBISHI MOTOR SALES OF AMERICA.
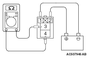
  2. Use a jumper wire to connect the positive battery terminal (+) to the CVT control relay terminal No. 2, and the negative battery terminal (-) to the terminal No. 1.
  3. Check for continuity between the CVT control relay terminals No. 3 and No. 4.
    CONTINUITY SPECIFICATION

    Jumper wire Continuity between terminals No. 3 and No. 4
    Connect Yes (2 Ω or less)
    Disconnect No
    Fig 2: Checking Continuity Between CVT Control Relay Terminals No. 3 And No. 4
    G06665794Courtesy of MITSUBISHI MOTOR SALES OF AMERICA.
  4. If not as specified, replace the CVT control relay.