LEMON Manuals: Even more car manuals for everyone
Home >> Mitsubishi >> 2010 >> Lancer Evolution SE >> Repair and Diagnosis >> External Pages >> Different variant/trim >> Section 101 (Local Interconnect Network (Lin) - Lancer Evolution) >> Troubleshooting >> Diagnostic Trouble Code Procedures >> DTC U0231: Lighting control sensor LIN timeout <Vehicles with auto light function> >> Notes

DTC U0231: Lighting control sensor LIN timeout <Vehicles with auto light function>: Notes

WARNING: This page is about a different variant/trim than selected.
CAUTION: Before replacing the ECU, ensure that the communication circuit is normal.
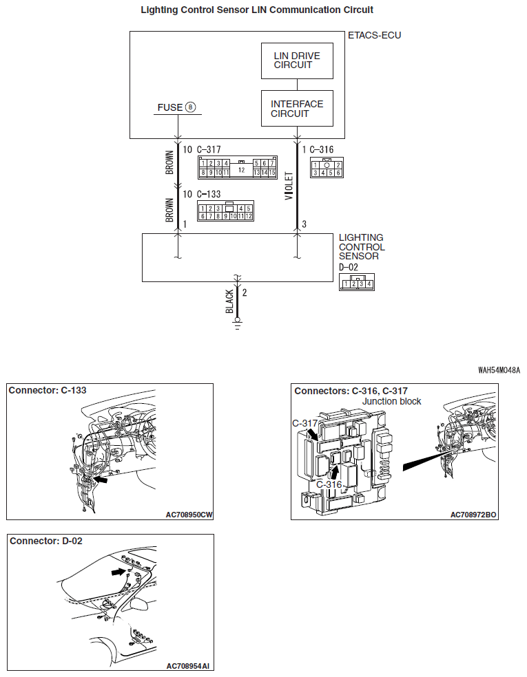
Fig 1: Lighting Control Sensor LIN Circuit Diagram
G06678603Courtesy of MITSUBISHI MOTOR SALES OF AMERICA.