LEMON Manuals: Even more car manuals for everyone
Home >> Mitsubishi >> 2008 >> Lancer ES, Standard >> Repair and Diagnosis >> External Pages >> Different car >> Section 5 (Wireless Control Module (WCM)) >> Diagnosis >> Diagnostic Trouble Code Procedures >> DTC B2101: IG SW start POS.circuit low; DTC B2102: IG SW start POS.circuit high >> Notes

DTC B2101: IG SW start POS.circuit low; DTC B2102: IG SW start POS.circuit high: Notes

WARNING: This page is about a different car, the 2009 Mitsubishi Lancer. However, it is still accessible from the selected car via links, so may be relevant.
CAUTION:
  • If DTC B2101 or B2102 is set, be sure to diagnose the CAN bus line.
  • Before replacing the ECU, ensure that the communication circuit is normal.
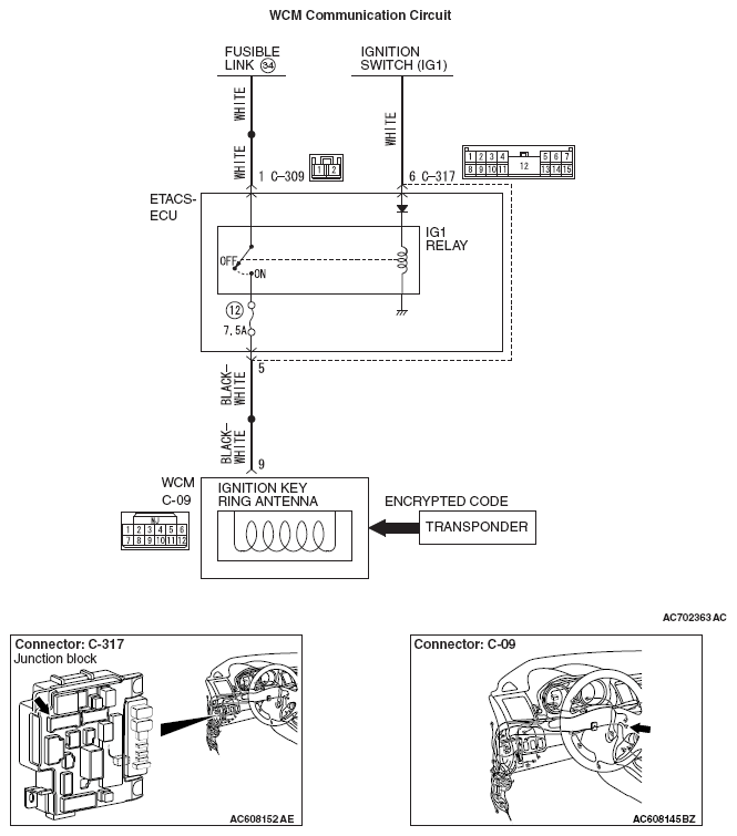
    Fig 1: WCM Communication Circuit Diagram
    G05905349Courtesy of MITSUBISHI MOTOR SALES OF AMERICA.