LEMON Manuals: Even more car manuals for everyone
Home >> Mitsubishi >> 2006 >> Lancer Evolution >> Repair and Diagnosis (Single Page) >> Electrical >> Body Electrical >> Simplified Wiring System - Lancer Evolution >> Symptom Procedures >> Keyless Entry System >> General Circuit Diagram For The Keyless Entry System

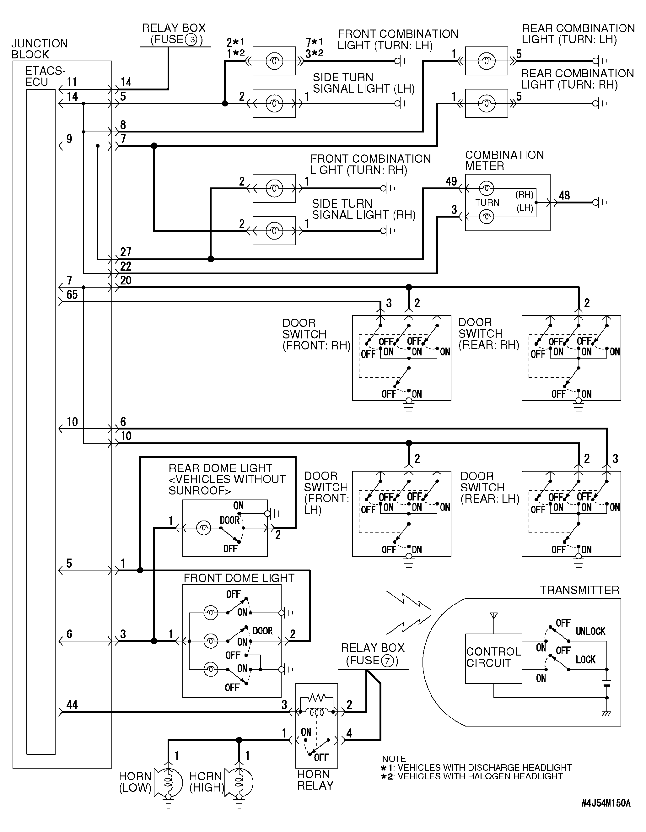
General Circuit Diagram For The Keyless Entry System

Fig 1: Keyless Entry System - Circuit Diagram (1 Of 2)
G04298830Courtesy of MITSUBISHI MOTOR SALES OF AMERICA.
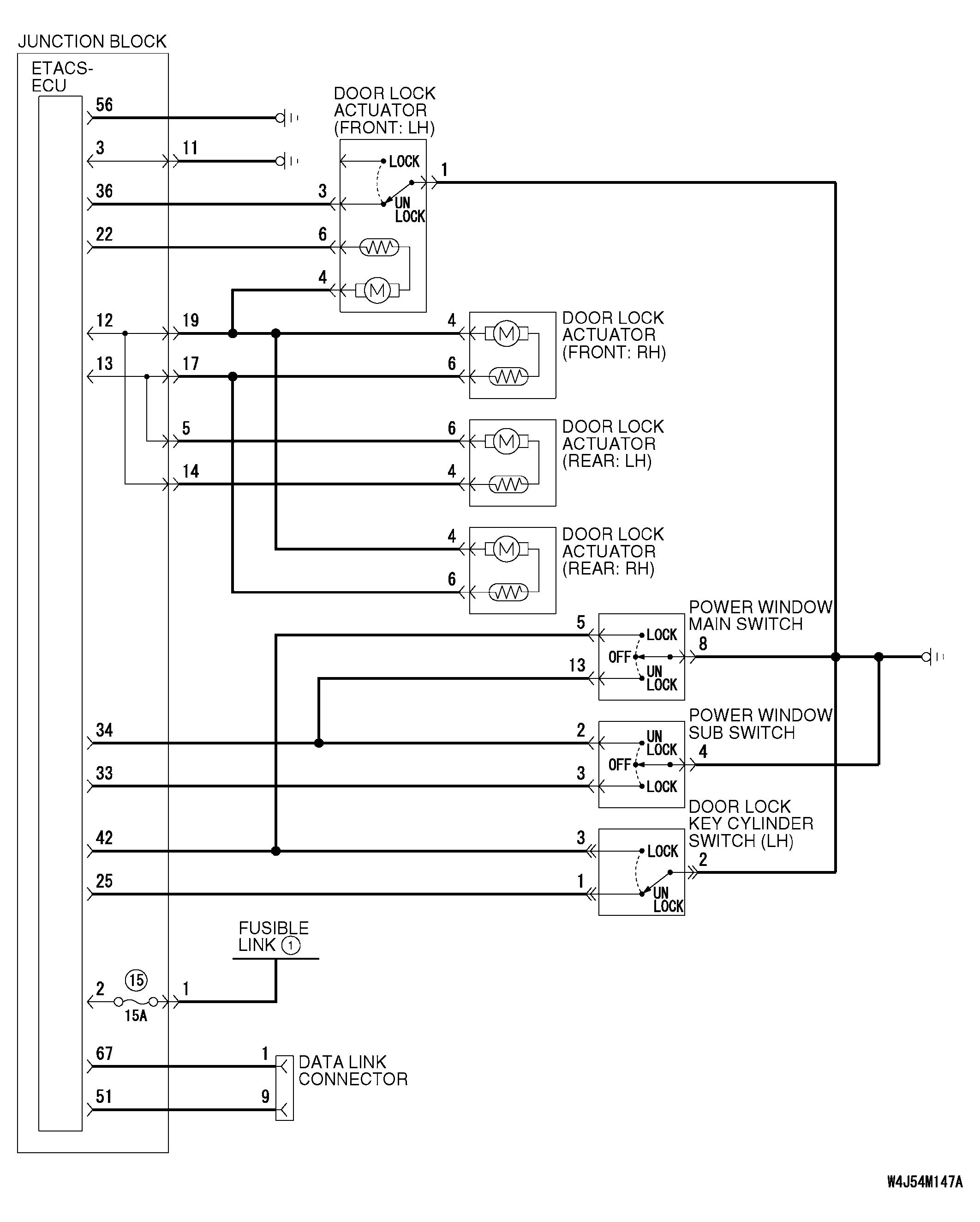
Fig 2: Keyless Entry System - Circuit Diagram (2 Of 2)
G04298831Courtesy of MITSUBISHI MOTOR SALES OF AMERICA.