LEMON Manuals: Even more car manuals for everyone
Home >> Mitsubishi >> 2005 >> Lancer Evolution >> Repair and Diagnosis (Single Page) >> Restraints >> Passive Restraints >> Supplemental Restraint System -- Evolution >> General Description >> On-Board Diagnostic/SRS Warning Light Function >> Schematic

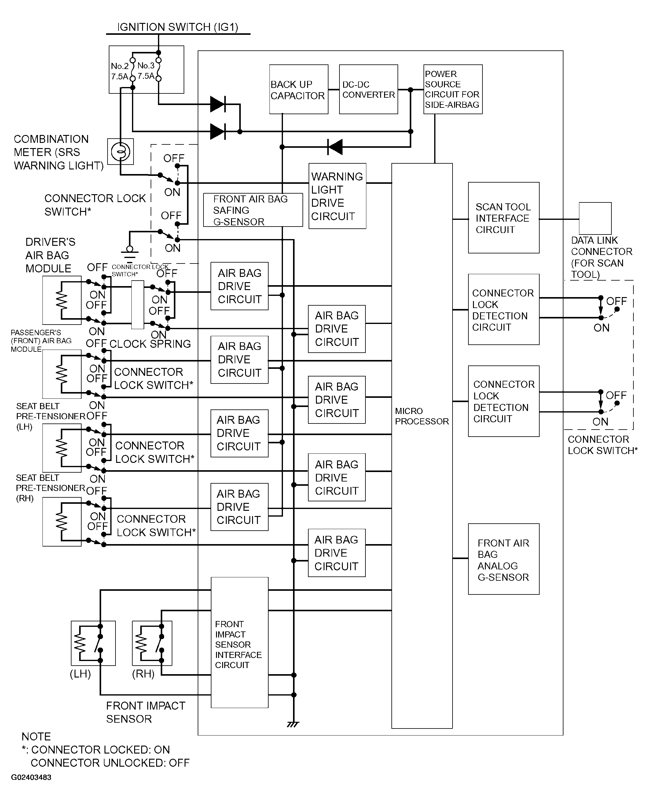
On-Board Diagnostic/SRS Warning Light Function: Schematic

Fig 1: SRS Schematic Diagram
G02403483Courtesy of MITSUBISHI MOTOR SALES OF AMERICA.
NOTE: * CONNECTOR LOCKED: ON CONNECTOR UNLOCKED: OFF