LEMON Manuals: Even more car manuals for everyone
Home >> Mitsubishi >> 2003 >> Lancer Evolution >> Repair and Diagnosis >> External Pages >> Different car >> Section 85 (Engine Controls - System & Component Testing) >> Miscellaneous Controls >> Electrical Load Signal >> Pathfinder

Electrical Load Signal: Pathfinder

WARNING: This page does not describe the selected car, but rather 8 other vehicles, including the 2003 Nissan Xterra, 2003 Nissan Sentra, 2003 Nissan Pathfinder, 2003 Nissan Murano, and 2003 Nissan Maxima. However, it is still accessible from the selected car via links, so may be relevant.

For electrical load signal circuit diagnosis, see Fig 1-Fig 5 . For rear window defogger circuit check, see appropriate REAR WINDOW DEFOGGERS article in ACCESSORIES & EQUIPMENT. If problem is intermittent, see INTERMITTENTS in TROUBLE SHOOTING - NO CODES article.

For engine control system component locations, see Figure-Figure . For ECM location, connector and terminal view, see Figure. For removal and installation of components, see appropriate REMOVAL & INSTALLATION article.

Fig 1: Electrical Load Signal Circuit System & Component Testing Procedure (Pathfinder - 1 Of 5)
G00272746Courtesy of NISSAN MOTOR CO., U.S.A.
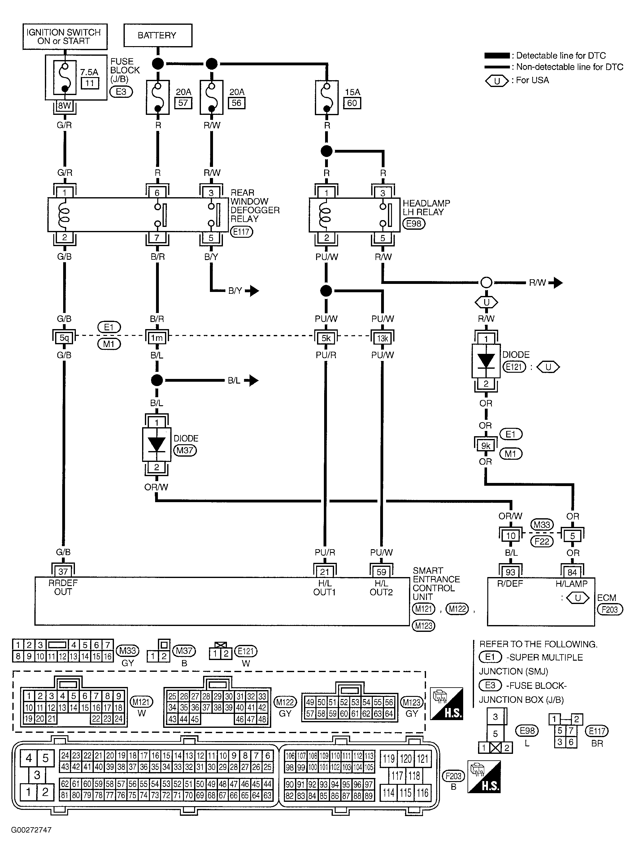
Fig 2: Electrical Load Signal Circuit System & Component Testing Procedure (Pathfinder - 2 Of 5)
G00272747Courtesy of NISSAN MOTOR CO., U.S.A.
Fig 3: Electrical Load Signal Circuit System & Component Testing Procedure (Pathfinder - 3 Of 5)
G00272748Courtesy of NISSAN MOTOR CO., U.S.A.
Fig 4: Electrical Load Signal Circuit System & Component Testing Procedure (Pathfinder - 4 Of 5)
G00272749Courtesy of NISSAN MOTOR CO., U.S.A.
Fig 5: Electrical Load Signal Circuit System & Component Testing Procedure (Pathfinder - 5 Of 5)
G00272750Courtesy of NISSAN MOTOR CO., U.S.A.