LEMON Manuals: Even more car manuals for everyone
Home >> Mitsubishi >> 2003 >> Lancer Evolution >> Repair and Diagnosis >> External Pages >> Different car >> Section 85 (Engine Controls - System & Component Testing) >> Ignition System >> Ignition Signal Circuits >> Sentra 1.8L

Sentra 1.8L

WARNING: This page does not describe the selected car, but rather 8 other vehicles, including the 2003 Nissan Xterra, 2003 Nissan Sentra, 2003 Nissan Pathfinder, 2003 Nissan Murano, and 2003 Nissan Maxima. However, it is still accessible from the selected car via links, so may be relevant.

For ignition signal circuit system and component testing, see Fig 1-Fig 11 . For diagnosis of ECM power supply circuit, see POWER & GROUND CIRCUITS (SENTRA 1.8L) . For intermittent problem, see INTERMITTENTS in TROUBLE SHOOTING - NO CODES article.

Fig 1: Ignition Signal Circuit System & Component Testing Procedure (Sentra 1.8L - 1 Of 11)
G00272720Courtesy of NISSAN MOTOR CO., U.S.A.
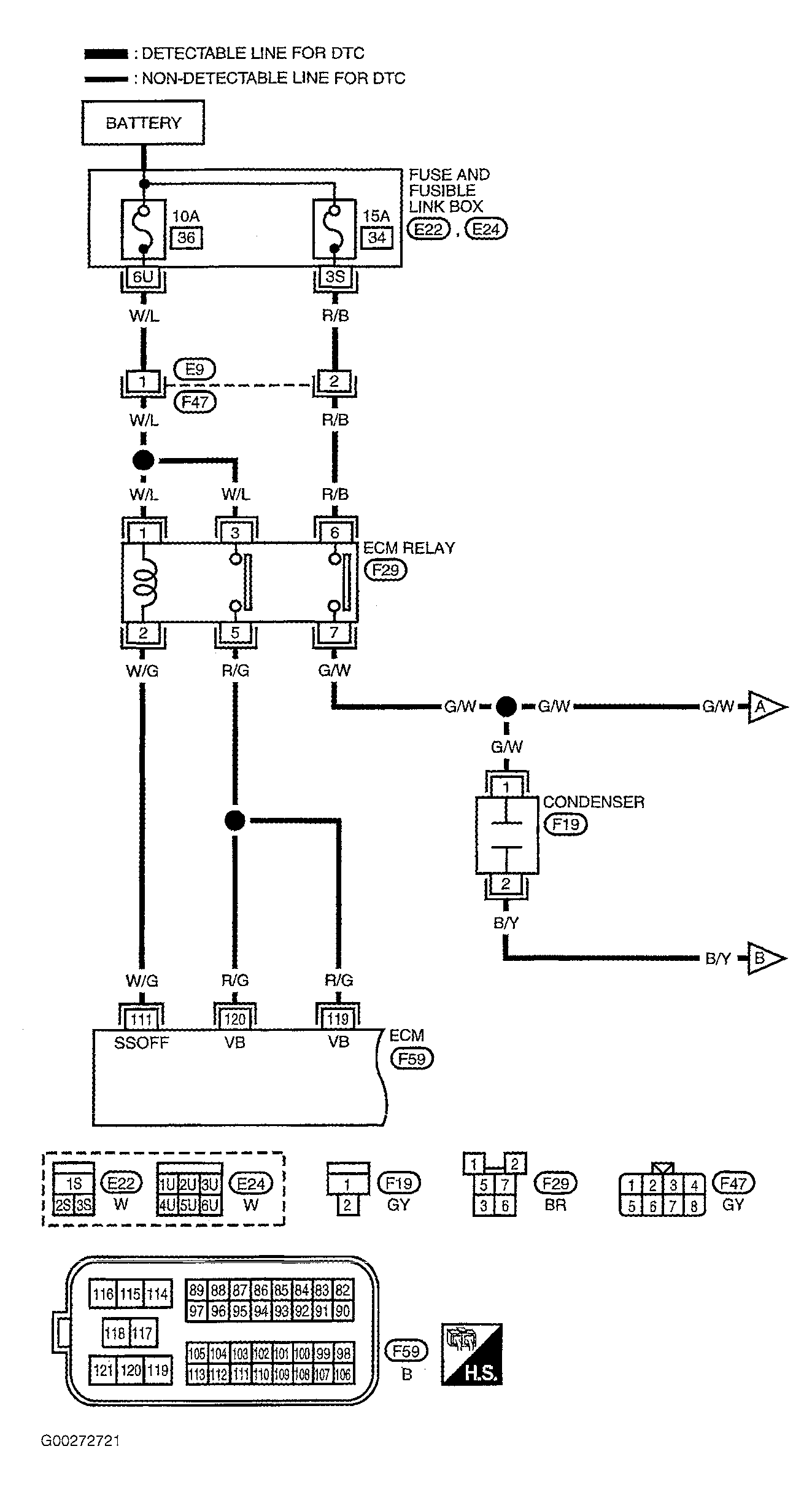
Fig 2: Ignition Signal Circuit System & Component Testing Procedure (Sentra 1.8L - 2 Of 11)
G00272721Courtesy of NISSAN MOTOR CO., U.S.A.
Fig 3: Ignition Signal Circuit System & Component Testing Procedure (Sentra 1.8L - 3 Of 11)
G00272722Courtesy of NISSAN MOTOR CO., U.S.A.
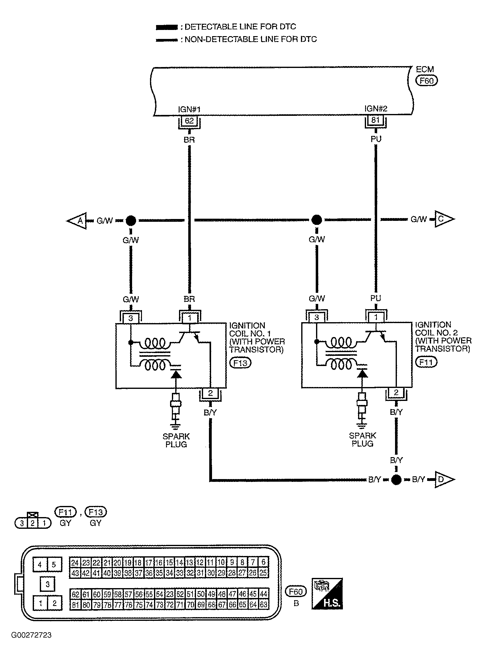
Fig 4: Ignition Signal Circuit System & Component Testing Procedure (Sentra 1.8L - 4 Of 11)
G00272723Courtesy of NISSAN MOTOR CO., U.S.A.
Fig 5: Ignition Signal Circuit System & Component Testing Procedure (Sentra 1.8L - 5 Of 11)
G00272724Courtesy of NISSAN MOTOR CO., U.S.A.
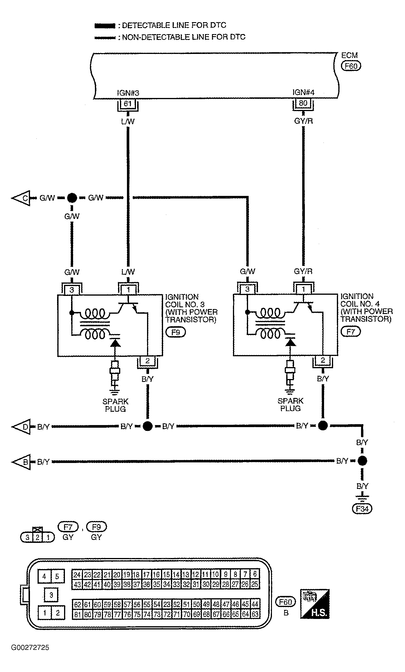
Fig 6: Ignition Signal Circuit System & Component Testing Procedure (Sentra 1.8L - 6 Of 11)
G00272725Courtesy of NISSAN MOTOR CO., U.S.A.
Fig 7: Ignition Signal Circuit System & Component Testing Procedure (Sentra 1.8L - 7 Of 11)
G00272726Courtesy of NISSAN MOTOR CO., U.S.A.
Fig 8: Ignition Signal Circuit System & Component Testing Procedure (Sentra 1.8L - 8 Of 11)
G00272727Courtesy of NISSAN MOTOR CO., U.S.A.
Fig 9: Ignition Signal Circuit System & Component Testing Procedure (Sentra 1.8L - 9 Of 11)
G00272728Courtesy of NISSAN MOTOR CO., U.S.A.
Fig 10: Ignition Signal Circuit System & Component Testing Procedure (Sentra 1.8L - 10 Of 11)
G00272729Courtesy of NISSAN MOTOR CO., U.S.A.
Fig 11: Ignition Signal Circuit System & Component Testing Procedure (Sentra 1.8L - 11 Of 11)
G00272730Courtesy of NISSAN MOTOR CO., U.S.A.