LEMON Manuals: Even more car manuals for everyone
Home >> Mitsubishi >> 2003 >> Lancer Evolution >> Repair and Diagnosis >> External Pages >> Different car >> Section 85 (Engine Controls - System & Component Testing) >> Ignition System >> Ignition Signal Circuits >> Pathfinder

Ignition Signal Circuits: Pathfinder

WARNING: This page does not describe the selected car, but rather 8 other vehicles, including the 2003 Nissan Xterra, 2003 Nissan Sentra, 2003 Nissan Pathfinder, 2003 Nissan Murano, and 2003 Nissan Maxima. However, it is still accessible from the selected car via links, so may be relevant.

For ignition signal circuit system and component testing, see Fig 1-Fig 10 . For diagnosis of ECM power supply circuit, see POWER & GROUND CIRCUITS (PATHFINDER) . For intermittent problem, see INTERMITTENTS in TROUBLE SHOOTING - NO CODES article.

Fig 1: Ignition Signal Circuit System & Component Testing Procedure (Pathfinder - 1 Of 10)
G00267095Courtesy of NISSAN MOTOR CO., U.S.A.
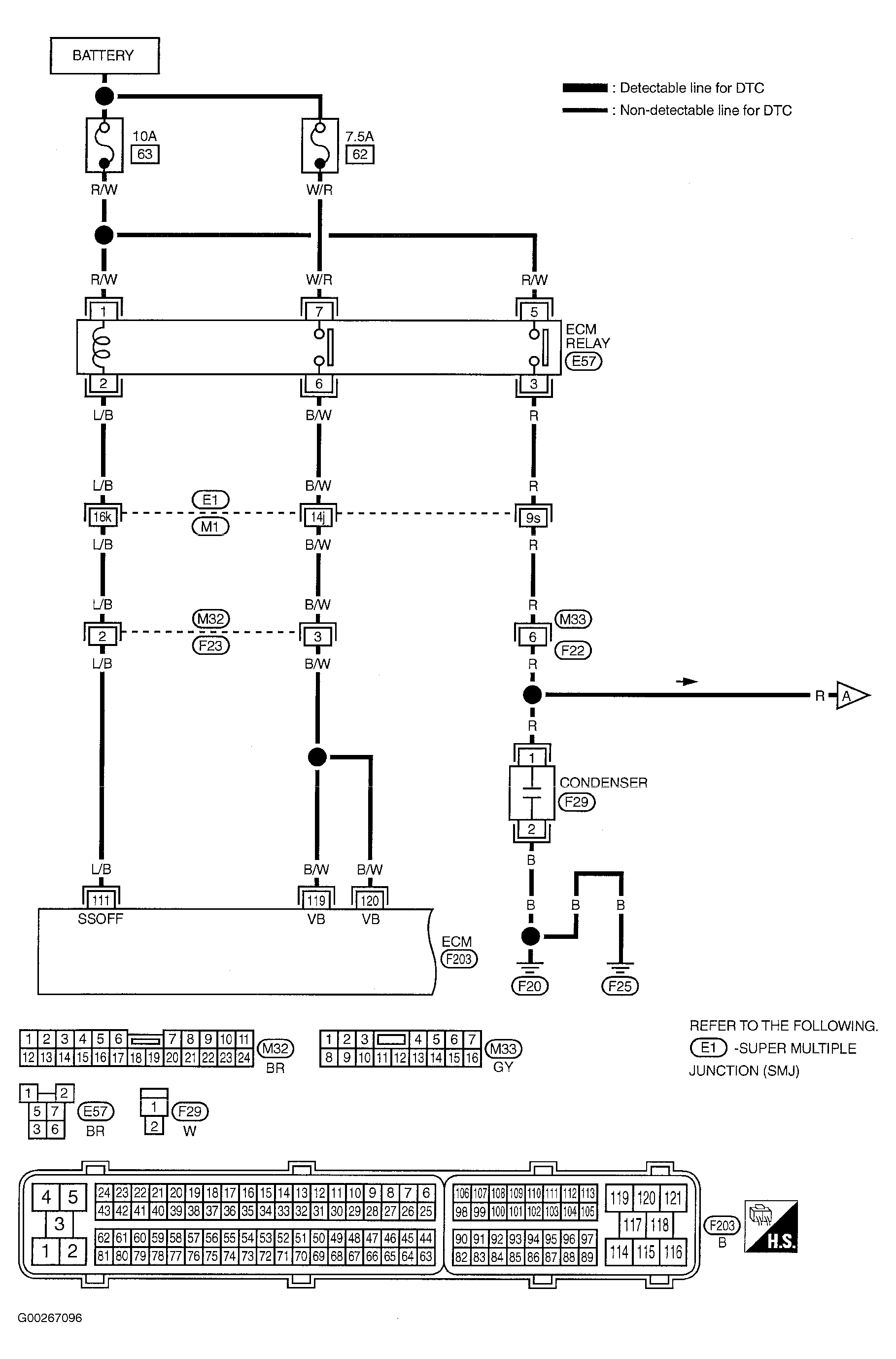
Fig 2: Ignition Signal Circuit System & Component Testing Procedure (Pathfinder - - 2 Of 10)
G00267096Courtesy of NISSAN MOTOR CO., U.S.A.
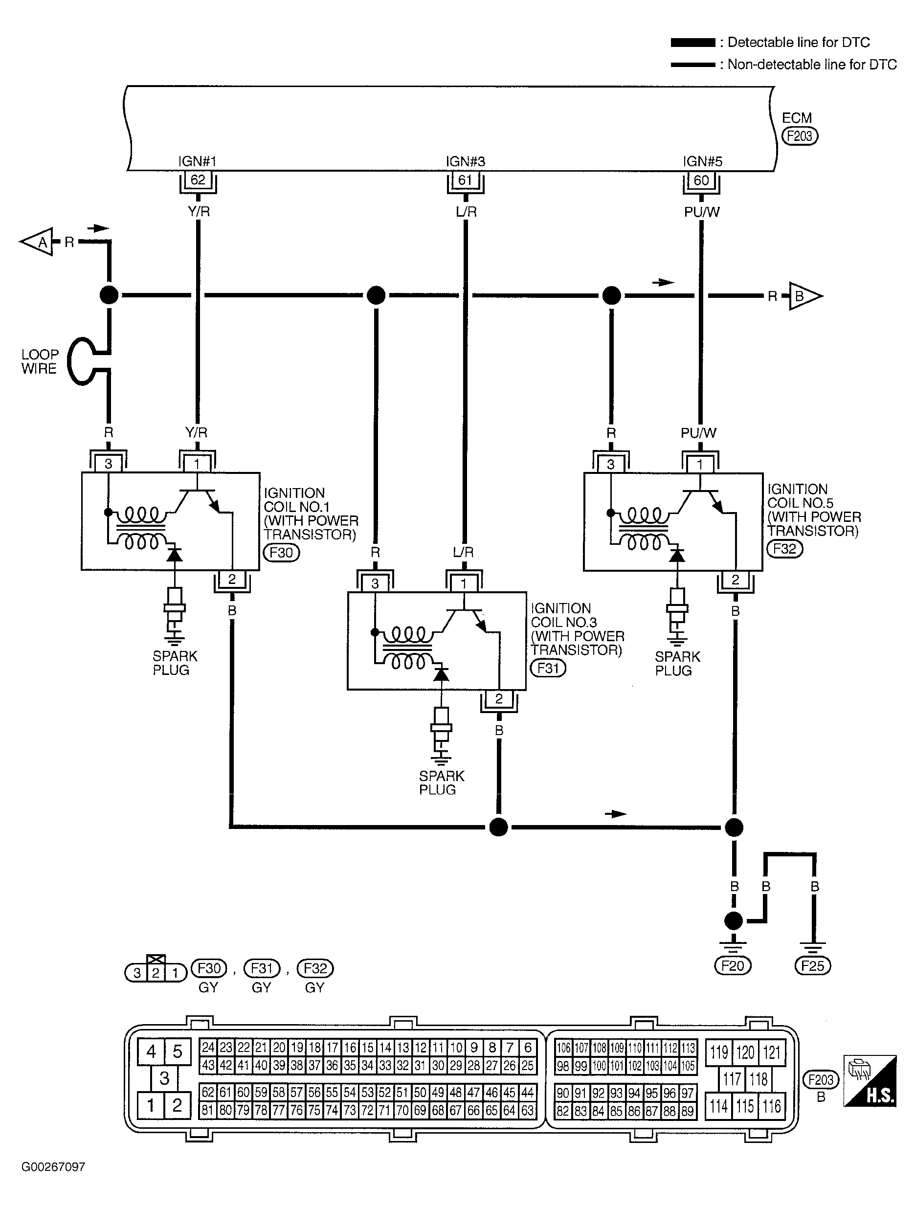
Fig 3: Ignition Signal Circuit System & Component Testing Procedure (Pathfinder - 3 Of 10)
G00267097Courtesy of NISSAN MOTOR CO., U.S.A.
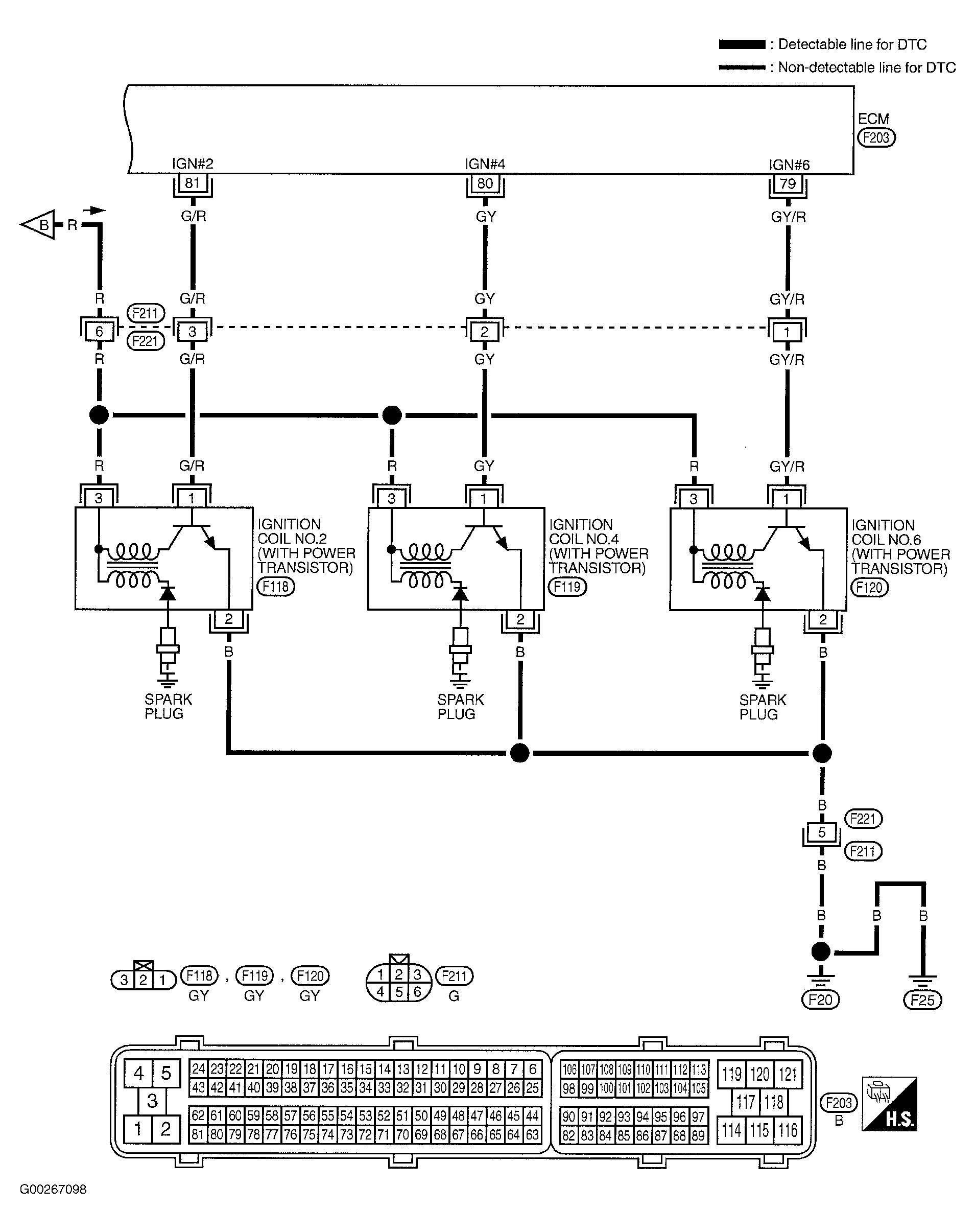
Fig 4: Ignition Signal Circuit System & Component Testing Procedure (Pathfinder - 4 Of 10)
G00267098Courtesy of NISSAN MOTOR CO., U.S.A.
Fig 5: Ignition Signal Circuit System & Component Testing Procedure (Pathfinder - 5 Of 10)
G00267099Courtesy of NISSAN MOTOR CO., U.S.A.
Fig 6: Ignition Signal Circuit System & Component Testing Procedure (Pathfinder - 6 Of 10)
G00267100Courtesy of NISSAN MOTOR CO., U.S.A.
Fig 7: Ignition Signal Circuit System & Component Testing Procedure (Pathfinder - 7 Of 10)
G00267101Courtesy of NISSAN MOTOR CO., U.S.A.
Fig 8: Ignition Signal Circuit System & Component Testing Procedure (Pathfinder - 8 Of 10)
G00272717Courtesy of NISSAN MOTOR CO., U.S.A.
Fig 9: Ignition Signal Circuit System & Component Testing Procedure (Pathfinder - 9 Of 10)
G00272718Courtesy of NISSAN MOTOR CO., U.S.A.
Fig 10: Ignition Signal Circuit System & Component Testing Procedure (Pathfinder - 10 Of 10)
G00272719Courtesy of NISSAN MOTOR CO., U.S.A.