LEMON Manuals: Even more car manuals for everyone
Home >> Mitsubishi >> 2003 >> Lancer Evolution >> Repair and Diagnosis >> External Pages >> Different car >> Section 85 (Engine Controls - System & Component Testing) >> Ignition System >> Ignition Signal Circuits >> Murano

Ignition Signal Circuits: Murano

WARNING: This page does not describe the selected car, but rather 8 other vehicles, including the 2003 Nissan Xterra, 2003 Nissan Sentra, 2003 Nissan Pathfinder, 2003 Nissan Murano, and 2003 Nissan Maxima. However, it is still accessible from the selected car via links, so may be relevant.

For ignition signal circuit system and component testing, see Fig 1-Fig 12 . For diagnosis of ECM power supply circuit, see POWER & GROUND CIRCUITS (MURANO) . For intermittent problem, see INTERMITTENTS in TROUBLE SHOOTING - NO CODES article.

Fig 1: Ignition Signal Circuit System & Component Testing Procedure (Murano - 1 Of 12)
G00267083Courtesy of NISSAN MOTOR CO., U.S.A.
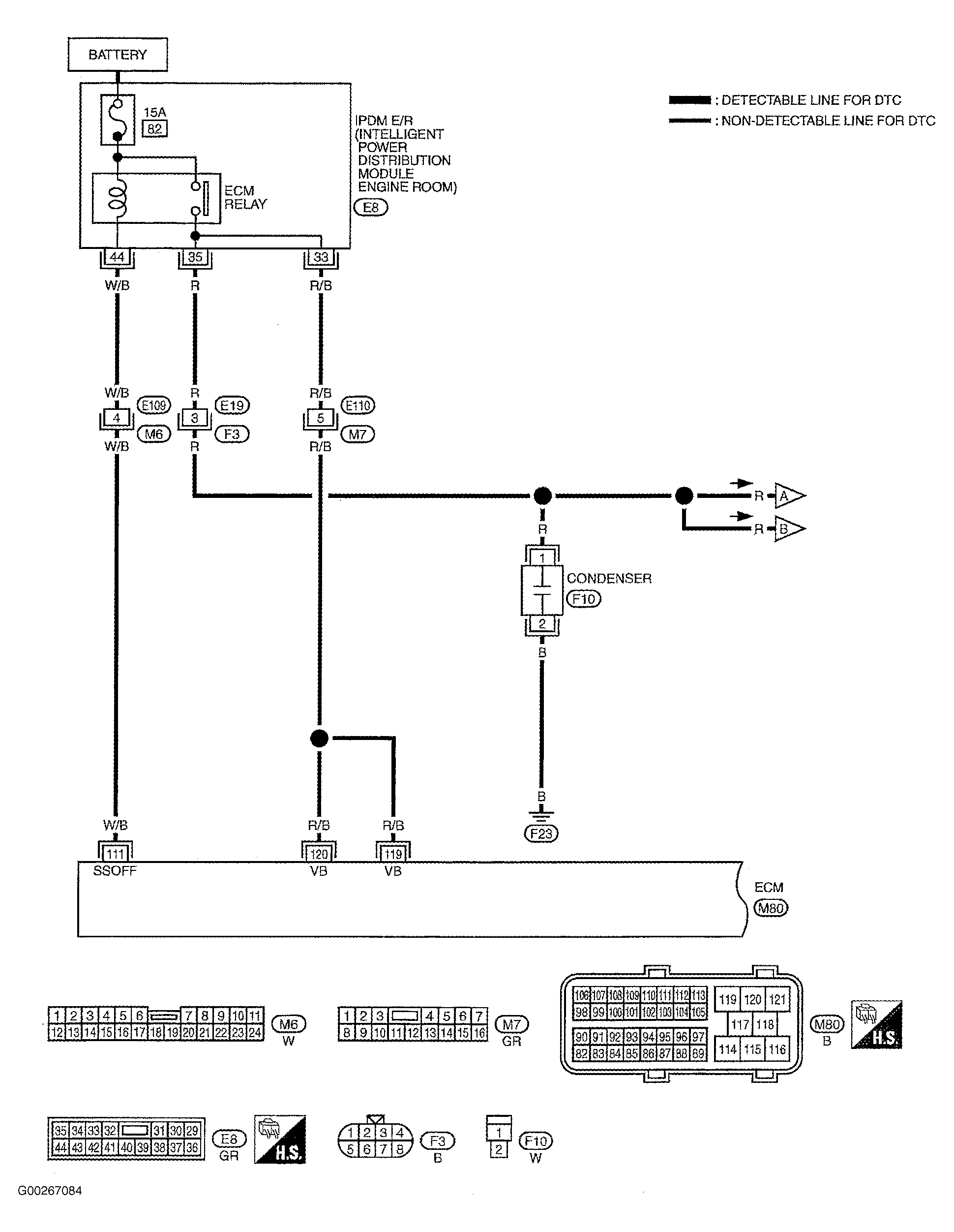
Fig 2: Ignition Signal Circuit System & Component Testing Procedure (Murano - 2 Of 12)
G00267084Courtesy of NISSAN MOTOR CO., U.S.A.
Fig 3: Ignition Signal Circuit System & Component Testing Procedure (Murano - 3 Of 12)
G00267085Courtesy of NISSAN MOTOR CO., U.S.A.
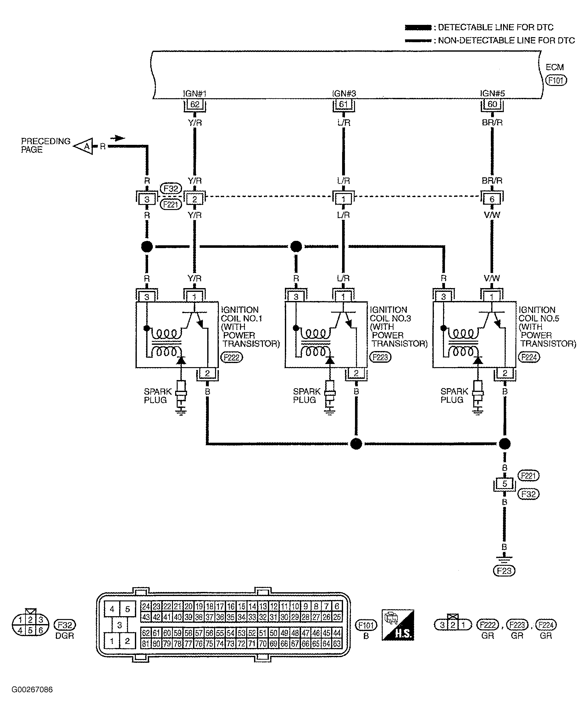
Fig 4: Ignition Signal Circuit System & Component Testing Procedure (Murano - 4 Of 12)
G00267086Courtesy of NISSAN MOTOR CO., U.S.A.
Fig 5: Ignition Signal Circuit System & Component Testing Procedure (Murano - 5 Of 12)
G00267087Courtesy of NISSAN MOTOR CO., U.S.A.
Fig 6: Ignition Signal Circuit System & Component Testing Procedure (Murano - 6 Of 12)
G00267088Courtesy of NISSAN MOTOR CO., U.S.A.
Fig 7: Ignition Signal Circuit System & Component Testing Procedure (Murano - 7 Of 12)
G00267089Courtesy of NISSAN MOTOR CO., U.S.A.
Fig 8: Ignition Signal Circuit System & Component Testing Procedure (Murano - 8 Of 12)
G00267090Courtesy of NISSAN MOTOR CO., U.S.A.
Fig 9: Ignition Signal Circuit System & Component Testing Procedure (Murano - 9 Of 12)
G00267091Courtesy of NISSAN MOTOR CO., U.S.A.
Fig 10: Ignition Signal Circuit System & Component Testing Procedure (Murano - 10 Of 12)
G00267092Courtesy of NISSAN MOTOR CO., U.S.A.
Fig 11: Ignition Signal Circuit System & Component Testing Procedure (Murano - 11 Of 12)
G00267093Courtesy of NISSAN MOTOR CO., U.S.A.
Fig 12: Ignition Signal Circuit System & Component Testing Procedure (Murano - 12 Of 12)
G00267094Courtesy of NISSAN MOTOR CO., U.S.A.