LEMON Manuals: Even more car manuals for everyone
Home >> Mitsubishi >> 2003 >> Lancer Evolution >> Repair and Diagnosis >> External Pages >> Different car >> Section 85 (Engine Controls - System & Component Testing) >> Fuel System >> Fuel Delivery >> Fuel Pump Control System (350Z)

Fuel Pump Control System (350Z)

WARNING: This page does not describe the selected car, but rather 8 other vehicles, including the 2003 Nissan Xterra, 2003 Nissan Sentra, 2003 Nissan Pathfinder, 2003 Nissan Murano, and 2003 Nissan Maxima. However, it is still accessible from the selected car via links, so may be relevant.

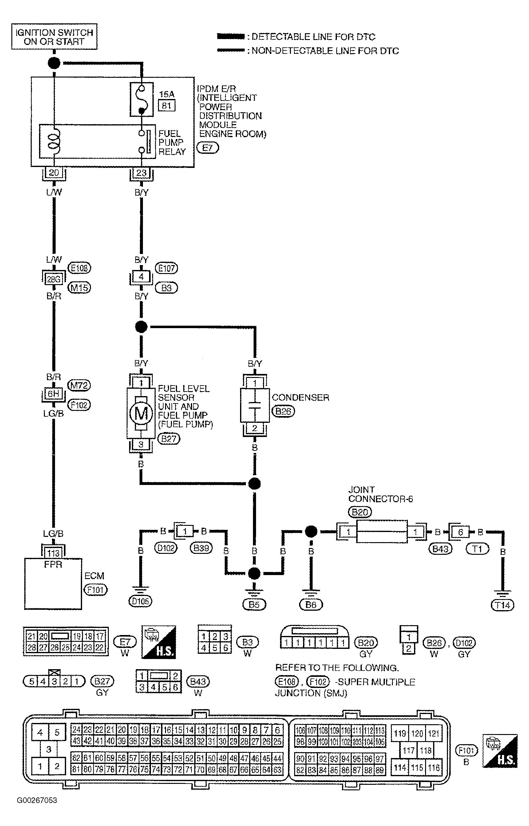
For fuel pump control system diagnosis and testing procedure, see Fig 2-Fig 5 . For fuel pump control circuit wiring diagram, see Fig 1. To check condenser, see FUEL SYSTEM CONDENSER . To check fuel pump, see FUEL PUMP . For relay location, see ECM & FUEL PUMP RELAY LOCATIONS  table. If no problem is indicated at this time, problem may be intermittent. See INTERMITTENTS in TROUBLE SHOOTING - NO CODES article. For component removal and installation procedures, see appropriate REMOVAL & INSTALLATION article.

Fig 1: Fuel Pump Control Circuit Wiring Diagram
G00267053Courtesy of NISSAN MOTOR CO., U.S.A.
Fig 2: Fuel Pump Control System & Component Testing Procedure (350Z - 1 Of 4)
G00267054Courtesy of NISSAN MOTOR CO., U.S.A.
Fig 3: Fuel Pump Control System & Component Testing Procedure (350Z - 2 Of 4)
G00267055Courtesy of NISSAN MOTOR CO., U.S.A.
Fig 4: Fuel Pump Control System & Component Testing Procedure (350Z - 3 Of 4)
G00267056Courtesy of NISSAN MOTOR CO., U.S.A.
Fig 5: Fuel Pump Control System & Component Testing Procedure (350Z - 4 Of 4)
G00267057Courtesy of NISSAN MOTOR CO., U.S.A.