LEMON Manuals: Even more car manuals for everyone
Home >> Mitsubishi >> 2003 >> Lancer Evolution >> Repair and Diagnosis >> External Pages >> Different car >> Section 85 (Engine Controls - System & Component Testing) >> Fuel System >> Fuel Control >> Fuel Injector Circuits (350Z)

Fuel Injector Circuits (350Z)

WARNING: This page does not describe the selected car, but rather 8 other vehicles, including the 2003 Nissan Xterra, 2003 Nissan Sentra, 2003 Nissan Pathfinder, 2003 Nissan Murano, and 2003 Nissan Maxima. However, it is still accessible from the selected car via links, so may be relevant.

For injector circuit test procedure, see Fig 1-Fig 6 . If no problem is indicated at this time, see INTERMITTENTS in TROUBLE SHOOTING - NO CODES article. For removal and installation of components, see appropriate REMOVAL & INSTALLATION article.

Fig 1: Fuel Injector Circuit System & Component Testing Procedure (350Z - 1 Of 6)
G00267077Courtesy of NISSAN MOTOR CO., U.S.A.
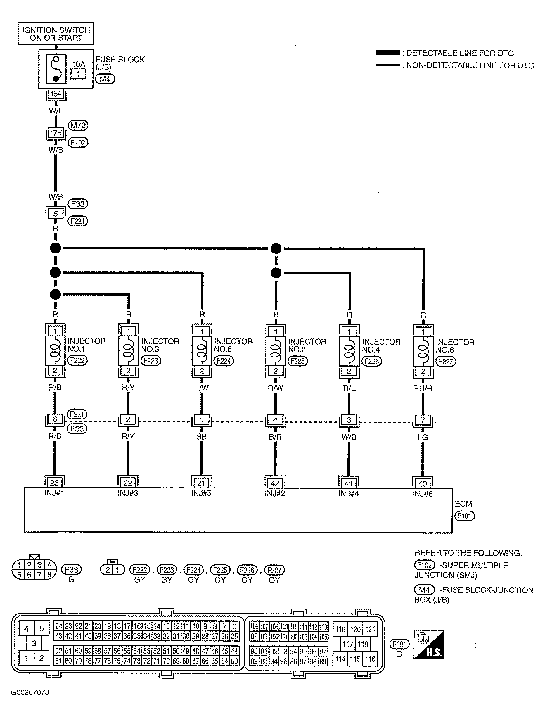
Fig 2: Fuel Injector Circuit System & Component Testing Procedure (350Z - 2 Of 6)
G00267078Courtesy of NISSAN MOTOR CO., U.S.A.
Fig 3: Fuel Injector Circuit System & Component Testing Procedure (350Z - 3 Of 6)
G00267079Courtesy of NISSAN MOTOR CO., U.S.A.
Fig 4: Fuel Injector Circuit System & Component Testing Procedure (350Z - 4 Of 6)
G00267080Courtesy of NISSAN MOTOR CO., U.S.A.
Fig 5: Fuel Injector Circuit System & Component Testing Procedure (350Z - 5 Of 6)
G00267081Courtesy of NISSAN MOTOR CO., U.S.A.
Fig 6: Fuel Injector Circuit System & Component Testing Procedure (350Z - 6 Of 6)
G00267082Courtesy of NISSAN MOTOR CO., U.S.A.