LEMON Manuals: Even more car manuals for everyone
Home >> Mitsubishi >> 2003 >> Lancer Evolution >> Repair and Diagnosis >> External Pages >> Different car >> Section 85 (Engine Controls - System & Component Testing) >> Emission Systems & Sub-Systems >> Swirl Control System (SENTRA 1.8L SULEV Only) >> Component Testing

Component Testing

WARNING: This page does not describe the selected car, but rather 8 other vehicles, including the 2003 Nissan Xterra, 2003 Nissan Sentra, 2003 Nissan Pathfinder, 2003 Nissan Murano, and 2003 Nissan Maxima. However, it is still accessible from the selected car via links, so may be relevant.

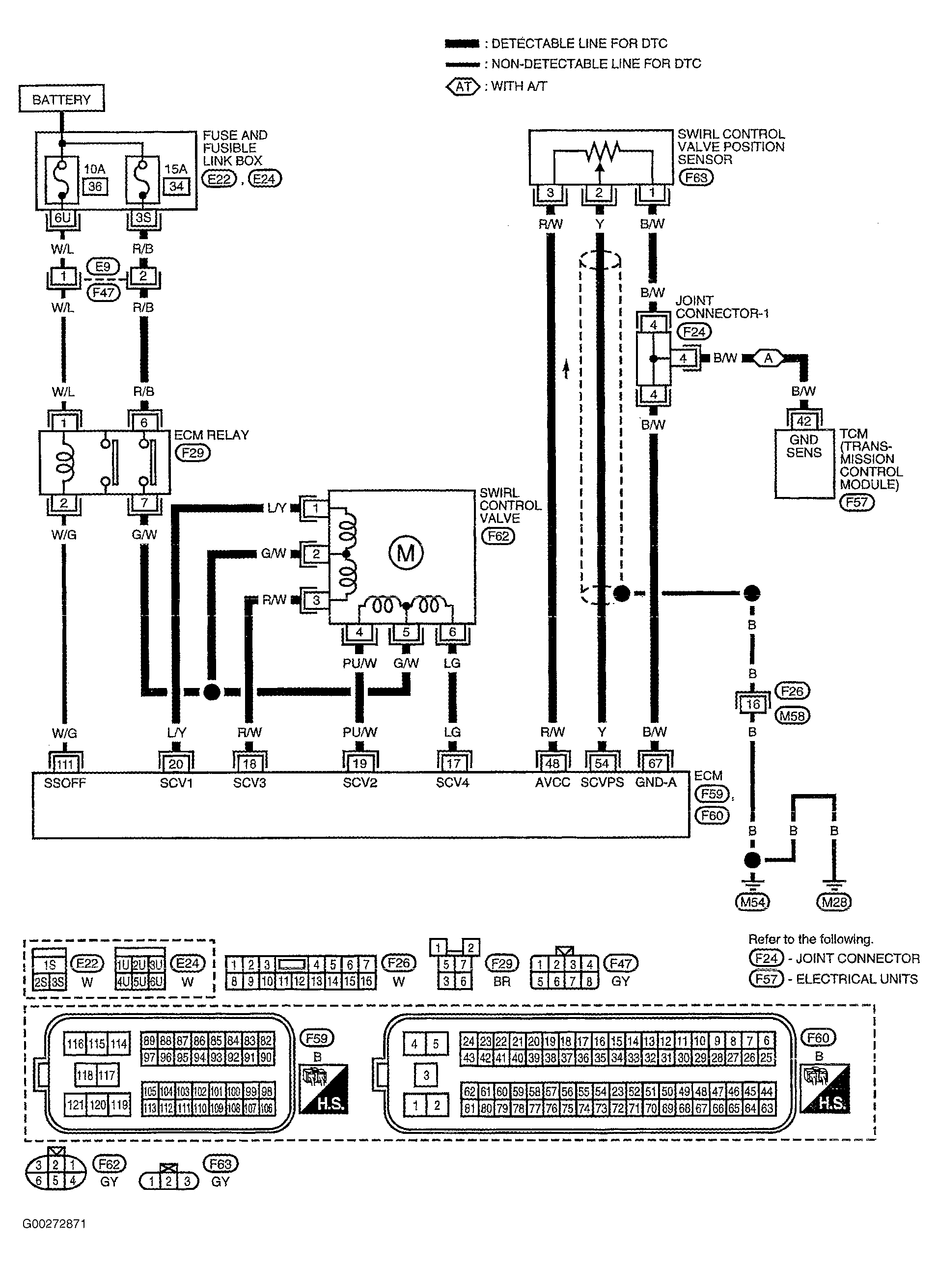
For circuit wiring diagram, see Fig 1-Fig 2 . For swirl control valve system and component test procedure, see Fig 3-Fig 6 .

For engine control system component locations, see Figure-Figure . For ECM location, connector and terminal view, see Figure. If problem is intermittent, see INTERMITTENTS in TROUBLE SHOOTING - NO CODES article. For removal and installation of components, see appropriate REMOVAL & INSTALLATION article.

Fig 1: Swirl Control Valve Circuit Wiring Diagram (Sentra 1.8L SULEV - 1 Of 2)
G00272871Courtesy of NISSAN MOTOR CO., U.S.A.
Fig 2: Swirl Control Valve Circuit Wiring Diagram (Sentra 1.8L SULEV - 2 Of 2)
G00272872Courtesy of NISSAN MOTOR CO., U.S.A.
Fig 3: Swirl Control Valve System & Component Testing Procedure (Sentra 1.8L SULEV - 1 Of 4)
G00272873Courtesy of NISSAN MOTOR CO., U.S.A.
Fig 4: Swirl Control Valve System & Component Testing Procedure (Sentra 1.8L SULEV - 2 Of 4)
G00272874Courtesy of NISSAN MOTOR CO., U.S.A.
Fig 5: Swirl Control Valve System & Component Testing Procedure (Sentra 1.8L SULEV - 3 Of 4)
G00272875Courtesy of NISSAN MOTOR CO., U.S.A.
Fig 6: Swirl Control Valve System & Component Testing Procedure (Sentra 1.8L SULEV - 4 Of 4)
G00272876Courtesy of NISSAN MOTOR CO., U.S.A.