LEMON Manuals: Even more car manuals for everyone
Home >> Mitsubishi >> 2003 >> Lancer Evolution >> Repair and Diagnosis >> External Pages >> Different car >> Section 219 (BCM (Body Control Module)) >> BCM (Body Control Module) >> Schematic

BCM (Body Control Module): Schematic

WARNING: This page is about a different car, the 2003 Nissan Altima. However, it is still accessible from the selected car via links, so may be relevant.
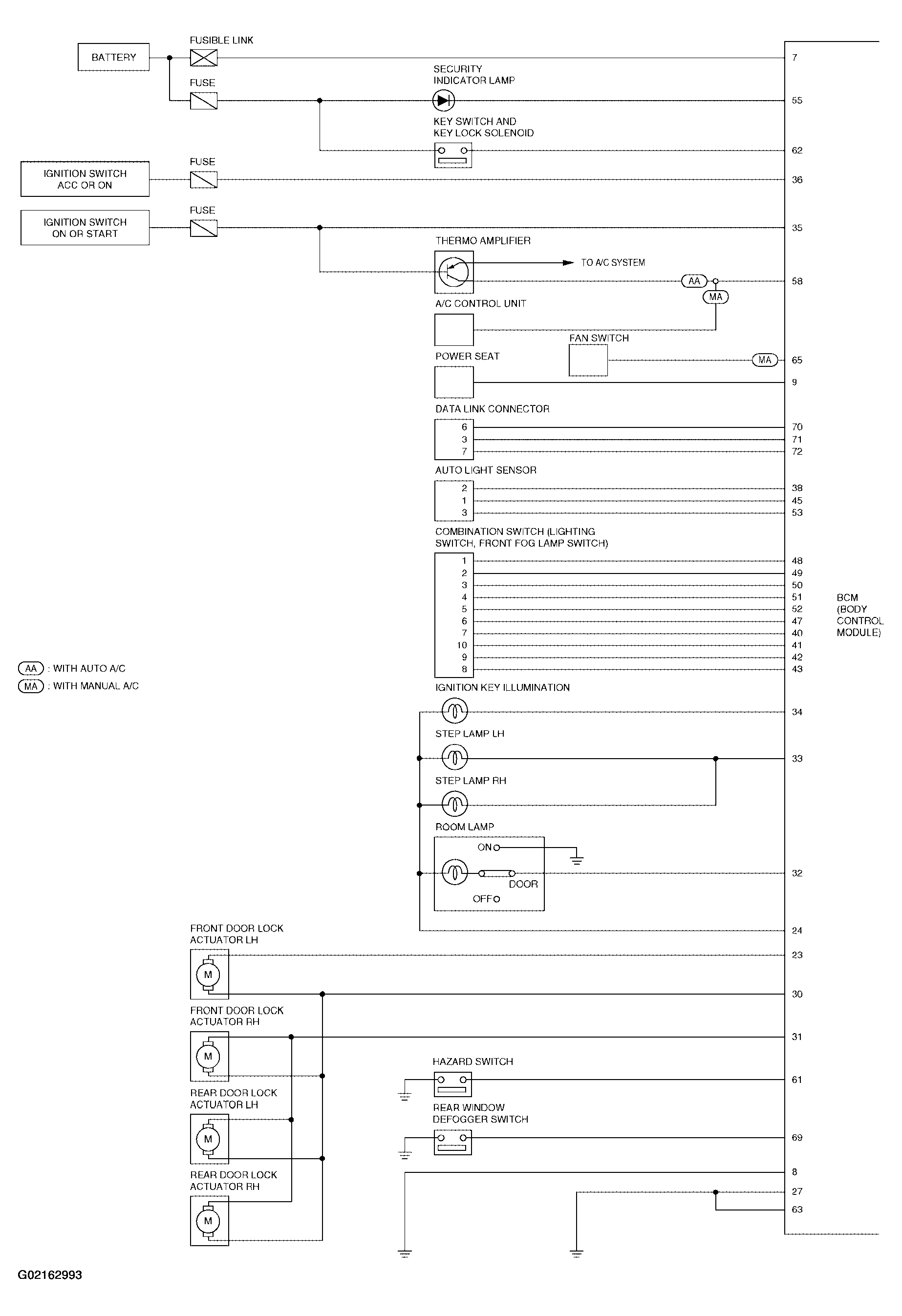
Fig 1: Body Control System Schematic Diagram (1 Of 2)
G02162993Courtesy of NISSAN MOTOR CO., U.S.A.
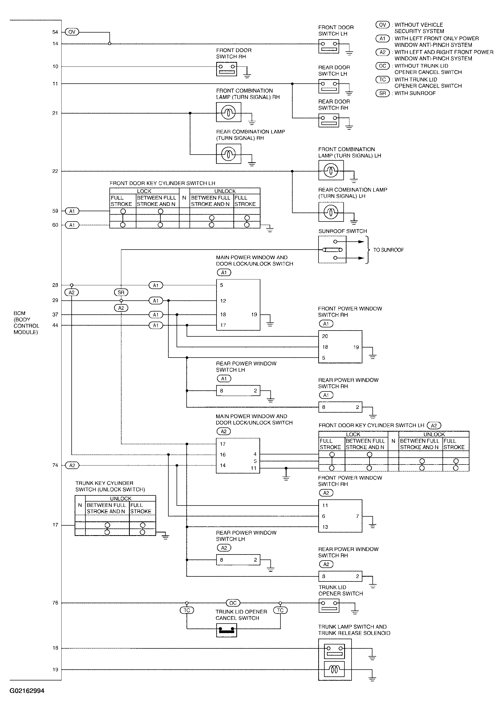
Fig 2: Body Control System Schematic Diagram (2 Of 2)
G02162994Courtesy of NISSAN MOTOR CO., U.S.A.