LEMON Manuals: Even more car manuals for everyone
Home >> Mitsubishi >> 2003 >> Lancer Evolution >> Repair and Diagnosis >> External Pages >> Different car >> Section 205 (Remote Keyless Entry System) >> Remote Keyless Entry System >> Schematic

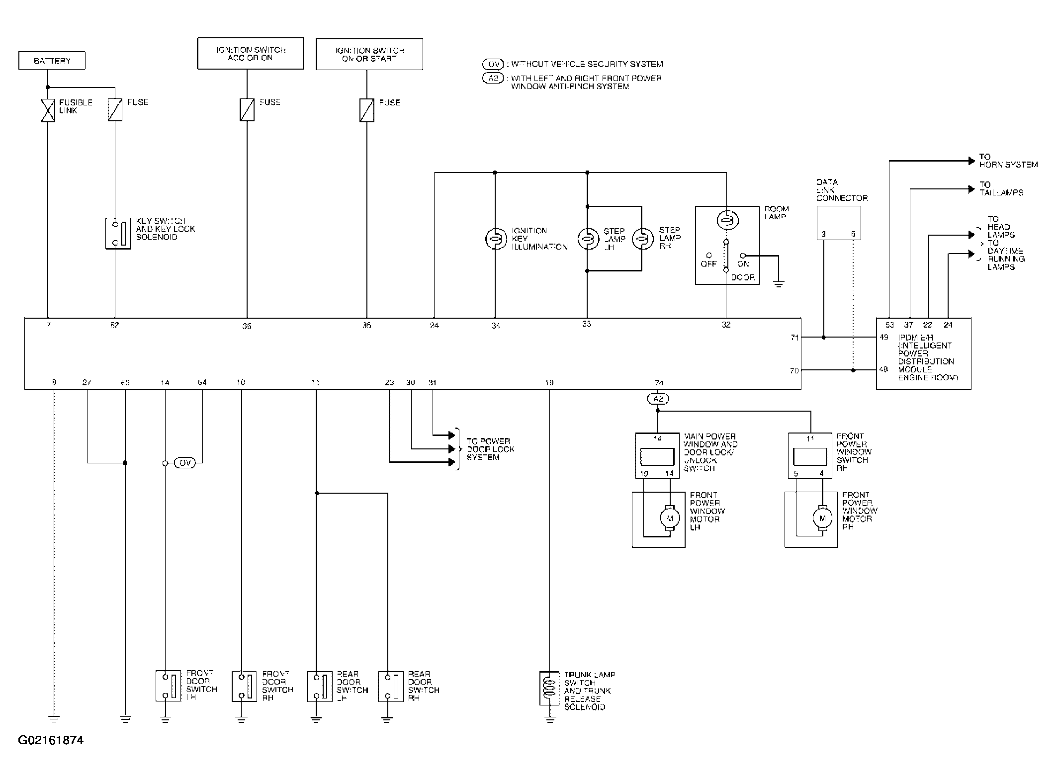
Remote Keyless Entry System: Schematic

WARNING: This page is about a different car, the 2003 Nissan Altima. However, it is still accessible from the selected car via links, so may be relevant.
Fig 1: Schematic Diagram - Remote Keyless Entry System
G02161874Courtesy of NISSAN MOTOR CO., U.S.A.