LEMON Manuals: Even more car manuals for everyone
Home >> Mitsubishi >> 1991 >> Eclipse Base, Standard >> Repair and Diagnosis >> Engine Performance >> System >> Engine Controls - Tests W/Codes >> Test Charts - 1.8L >> Dr-5: Code 14 Throttle Position Sensor Circuit

Dr-5: Code 14 Throttle Position Sensor Circuit

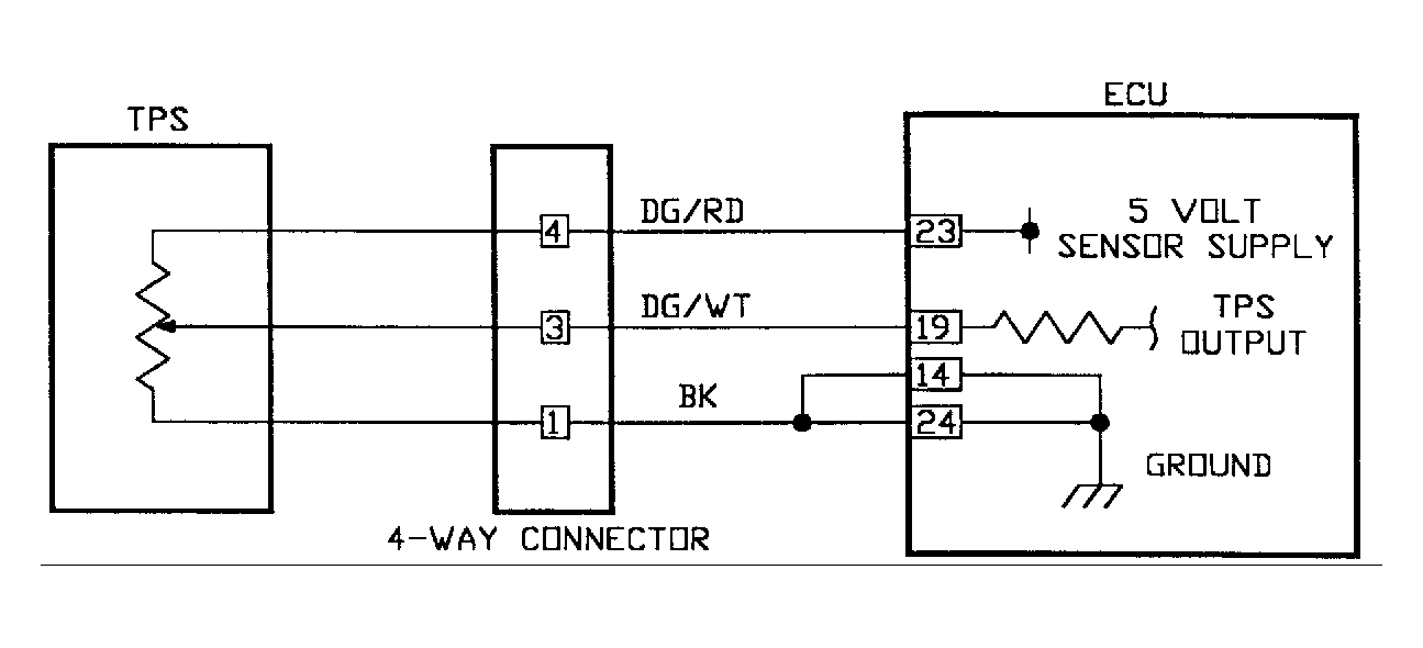
Fig 1: Circuit Diagram DR-5 (1.8L)
G90H20146
Fig 2: Flow Chart DR-5 (1.8L) (1 of 2)
G90C02095
Fig 3: Flow Chart DR-5 (1.8L) (2 of 2)
G90E02096