LEMON Manuals: Even more car manuals for everyone
Home >> Mitsubishi >> 1991 >> Eclipse Base, Standard >> Repair and Diagnosis >> Engine Performance >> System >> Engine Controls - Tests W/Codes >> Test Charts - 1.5L >> Dr-6: Code 15 Motor Position Sensor Circuit

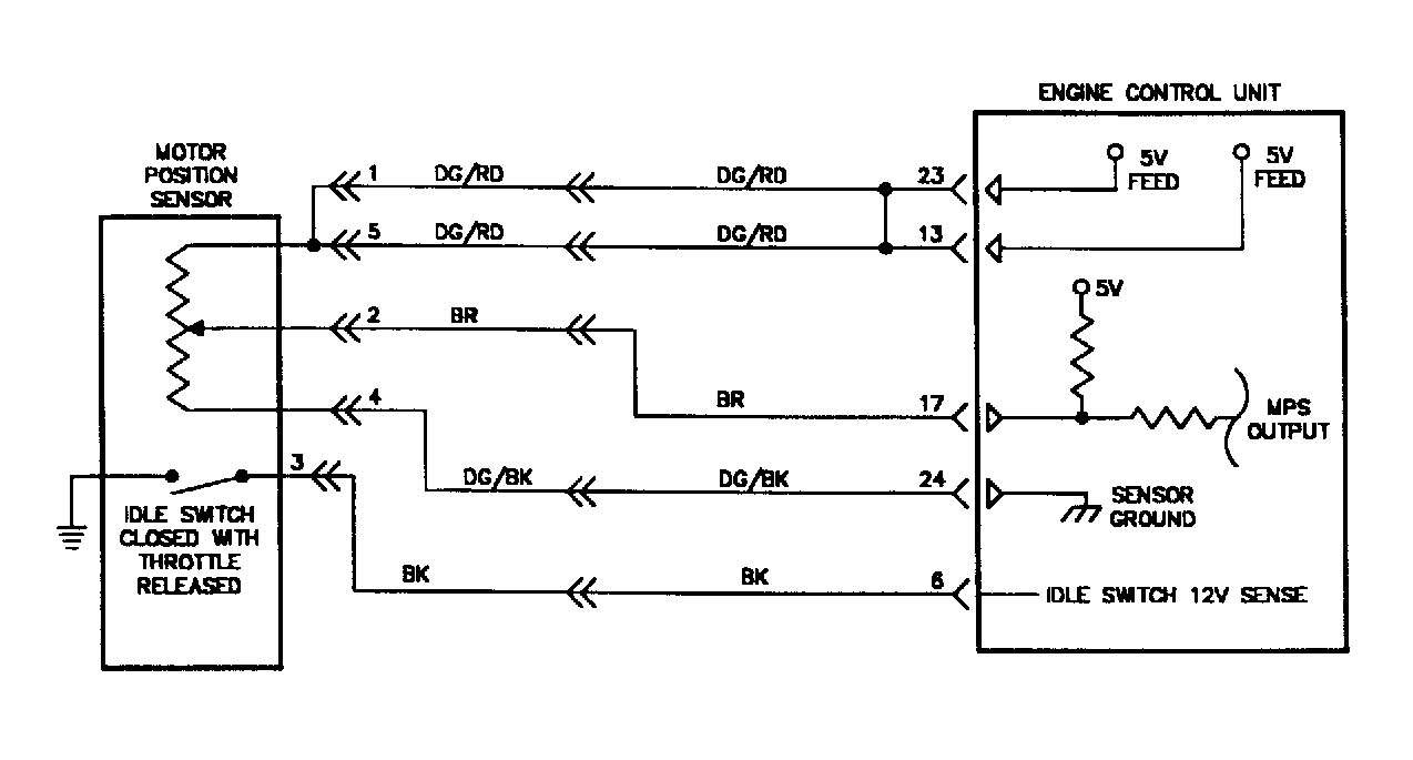
Dr-6: Code 15 Motor Position Sensor Circuit

Fig 1: Circuit Diagram DR-6 (1.5L)
G90I15378
Fig 2: Flow Chart DR-6 (1.5L) (1 of 2)
G90J15445
Fig 3: Flow Chart DR-6 (1.5L) (2 of 2)
G90A15446