LEMON Manuals: Even more car manuals for everyone
Home >> Mitsubishi >> 1988 >> Starion ESI-R, Automatic >> Repair and Diagnosis >> Engine Performance >> System >> ECI CEC System >> Wiring Diagrams

Wiring Diagrams

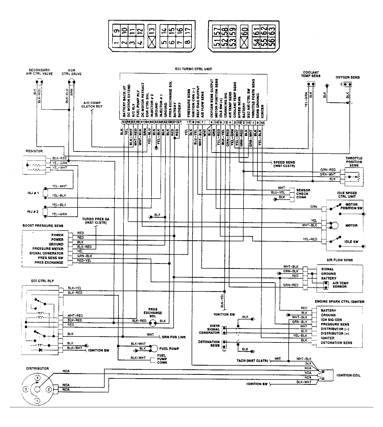
Fig 1: Wiring Diagram for Starion
G94406
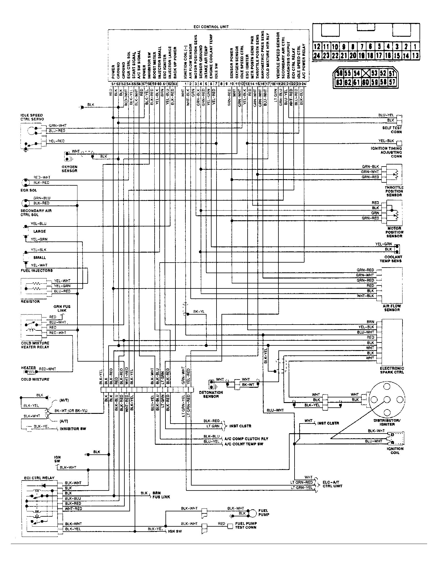
Fig 2: Wiring Diagram for Cordia & Tredia
G94407
Fig 3: Wiring Diagram for Mirage
G94408