LEMON Manuals: Even more car manuals for everyone
Home >> Mitsubishi >> 1987 >> Starion ESI-R >> Repair and Diagnosis >> External Pages >> Different car >> Section 17 (Controller Area Network (Can) - Lancer Evolution) >> Diagnosis >> Can Bus Diagnostics >> DIAGNOSTIC ITEM 16: Diagnose when the scan tool cannot receive the data sent by WCM >> Notes

DIAGNOSTIC ITEM 16: Diagnose when the scan tool cannot receive the data sent by WCM: Notes

WARNING: This page is about a different car, the 2008 Mitsubishi Lancer. However, it is still accessible from the selected car via links, so may be relevant.
CAUTION: When servicing a CAN bus line, ground yourself by touching a metal object such as an unpainted water pipe. If you fail to do so, a component connected to the CAN bus line may be damaged.
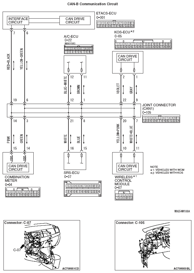
Fig 1: CAN-B Communication Circuit Diagram
G05395712Courtesy of MITSUBISHI MOTOR SALES OF AMERICA.