LEMON Manuals: Even more car manuals for everyone
Home >> Mitsubishi >> 1987 >> Starion ESI-R >> Repair and Diagnosis >> Engine Performance >> System >> ECI CEC System >> Wiring Diagrams

Wiring Diagrams

Fig 1: Wiring Diagram for Mirage
G61432
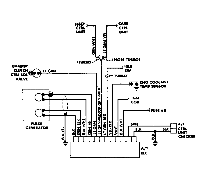
Fig 2: Wiring Diagram for Starion
G61411
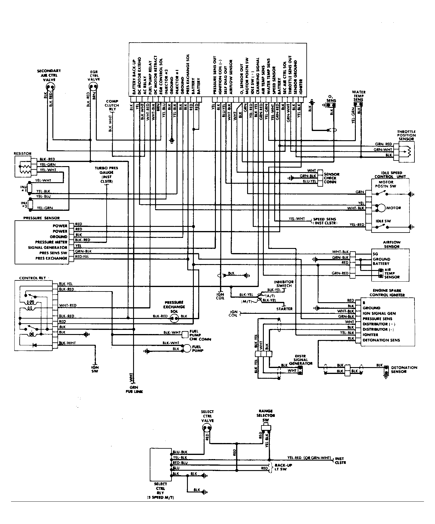
Fig 3: Wiring Diagram for Cordia & Tredia
G61412