LEMON Manuals: Even more car manuals for everyone
Home >> Mitsubishi >> 1987 >> Precis Base >> Repair and Diagnosis >> External Pages >> Different car >> Section 17 (Wireless Control Module (WCM) - Lancer Evolution) >> Diagnosis >> Diagnostic Trouble Code Procedures >> DTC B2101: IG SW start POS. circuit low; DTC B2102: IG SW start POS. circuit high >> Notes

DTC B2101: IG SW start POS. circuit low; DTC B2102: IG SW start POS. circuit high: Notes

WARNING: This page is about a different car, the 2008 Mitsubishi Lancer. However, it is still accessible from the selected car via links, so may be relevant.
CAUTION:
  • If DTC B2101 or B2102 is set, be sure to diagnose the CAN bus line.
  • Before replacing the ECU, ensure that the communication circuit is normal.
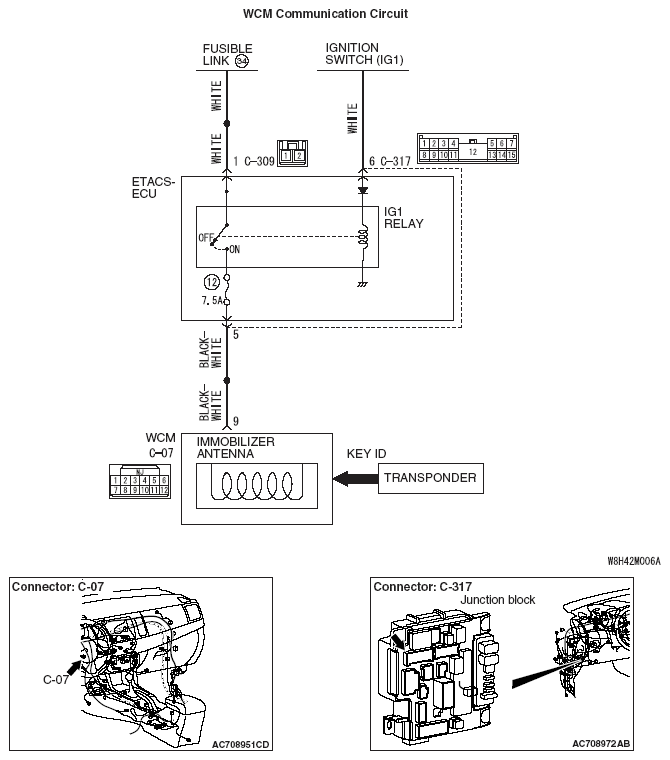
    Fig 1: WCM Communication Circuit Diagram
    G05395388Courtesy of MITSUBISHI MOTOR SALES OF AMERICA.