LEMON Manuals: Even more car manuals for everyone
Home >> Mini >> 2017 >> Cooper Base, 2D Convertible, Standard Trans >> Repair and Diagnosis >> General Information >> OEM General Information >> Functional Description (F57) >> Camera-Based Driver Assistance Systems >> Functional description

Functional description

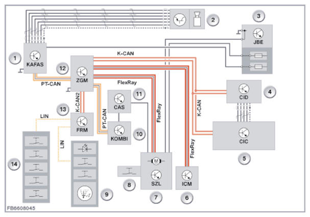
The KAFAS control unit is situated in the driver's footwell or in the passenger footwell depending on the series. The light points, light colours and light intensities picked up by the video camera are evaluated by the KAFAS control unit. The evaluation by the KAFAS control unit results in a switch-on or switch-off recommendation.

G09872267Courtesy of BMW OF NORTH AMERICA, INC.
Item Explanation
1 Camera-based driver support systems camera control unit
2 12 pin plug connection
3 10 pin plug connection

A complex system network with distributed functions in other control units is necessary for implementation of the lane departure warning as well as the high-beam assistant.