System functions: Notes
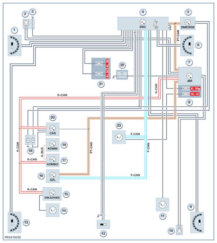
The following illustrations show the functional networking.
INSTRUMENT PANEL PARTS DESCRIPTION
| Item | Explanation |
|---|---|
| 1 | Front left wheel speed sensor |
| 2 | Brake pad wear sensor, front left |
| 3 | Brake fluid level switch |
| 4 | Dynamic stability control (DSC) |
| 5 | DME (Digital Engine Electronics) |
| 6 | Front right wheel speed sensor |
| 7 | Junction Box Electronics (JBE) |
| 8 | Front fuse and relay module |
| 9 | Rear right wheel speed sensor |
| 10 | Brake pad wear sensor, rear right |
| 11 | DSC sensor |
| 12 | 4WD coupling |
| 13 | Rear left wheel speed sensor |
| 14 | DTC button (in center console control panel) |
| 15 | Integrated automatic heating and air conditioning (IHKA) or integrated heating and air-conditioning control (IHKS) |
| 16 | Steering column switch center (SZL) |
| 17 | Auxiliary instrument (KOMBI2) |
| 18 | Brake light switch |
| 19 | Instrument panel (KOMBI) 20 Car access system (CAS) |
| 21 | Power distribution box, engine compartment |
| 22 | Brake fluid level switch |
The following system functions are described for the DSC:
- ASC: Automatic Stability Control
- ABS: Antilock braking system
- DSC: Dynamic Stability Control
- DTC: Dynamic Traction Control
- DBC: Dynamic Braking Control
- EBV: Electronic brake force distribution
- CBC: Cornering brake control
- MSR: Engine drag torque control
- All-wheel control
- Drive-off assistant
The following additional functions that do not belong to driving dynamics control are integrated:
- RPA: Run Flat Indicator
- CBS: Condition Based Service