LEMON Manuals: Even more car manuals for everyone
Home >> Mini >> 2014 >> Cooper Paceman Base, Automatic Trans >> Repair and Diagnosis (Single Page) >> General Information >> OEM General Information >> Functional Description (R61 Cooper Paceman) >> Anti-Theft System - Functional Description >> Central locking system >> Brief component description >> Footwell module (FRM)

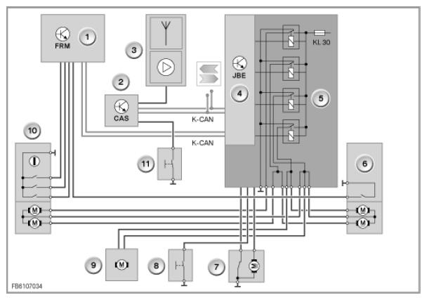
Footwell module (FRM)

The footwell module (FRM) assesses the status of the door contacts. The FRM identifies the request when the mechanical key is used to lock or unlock the vehicle. The FRM transmits a message to the CAS via the K-CAN. The FRM is installed on the A-pillar in the driver's side footwell.

Fig 1: Footwell Module (FRM) Wiring Diagram
G10998350Courtesy of BMW OF NORTH AMERICA, INC.

Block wiring diagram R56

FOOTWELL MODULE PARTS DESCRIPTION

Index Explanation
1 Footwell module (FRM)
2 Car Access System (CAS)
3 Remote control receiver
4 Junction Box Electronics (JBE)
5 Power distribution box in junction box electronics (JBE)
6 Front passenger-door lock
7 Fuel filler flap
8 Rear lid button
9 Tailgate lock
10 Driver's door lock
11 Central locking button