LEMON Manuals: Even more car manuals for everyone
Home >> Mini >> 2013 >> Cooper Base, 2D Convertible, Automatic Trans >> Repair and Diagnosis >> General Information >> OEM General Information >> Functional Description -- R57 >> Trailer Lighting And Fully Automatic Trailer Tow Hitch >> System functions >> Notes

System functions: Notes

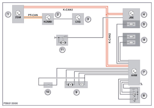
The following graphic shows the functional networking of the fully automatic trailer tow hitch in simplified terms, using the example F11.

Fig 1: Rear Lid Contact Switch - Circuit Diagram
G09873054Courtesy of BMW OF NORTH AMERICA, INC.
Item Explanation
1 Central gateway module (ZGM)
2 Instrument panel (KOMBI)
3 Car access system (CAS)
4 Junction Box Electronics (JBE)
5 Power distributor in junction box
6 Power distribution box, right rear
7 Trailer Module (AHM)
8 Button, fully automatic trailer tow hitch
9 Drive, fully automatic trailer tow hitch
10 Switch, trailer socket
11 Tailgate/tailgate lock

The following graphic shows the functional networking of the fully automatic trailer tow hitch in simplified terms, using the example F15.

Fig 2: Instrument Panel - Circuit Diagram
G09873055Courtesy of BMW OF NORTH AMERICA, INC.
Item Explanation
1 Instrument panel (KOMBI)
2 Body Domain Controller (BDC), central gateway module (ZGM) integrated as independent control unit
3 Power distribution box, right rear
4 Trailer Module (AHM)
5 Button, fully automatic trailer tow hitch
6 Drive, fully automatic trailer tow hitch
7 Switch, trailer socket
8 Tailgate/tailgate lock

The following graphic shows the functional networking of the fully automatic trailer tow hitch in simplified terms, using the example F30.

Fig 3: Rear Electronic Module - Circuit Diagram
G09873056Courtesy of BMW OF NORTH AMERICA, INC.
Item Explanation
1 Instrument panel (KOMBI)
2 Front Electronic Module (FEM), central gateway module (ZGM) integrated as independent control unit
3 Power distribution box, right rear
4 Rear Electronic Module (REM)
5 Trailer Module (AHM)
6 Button, fully automatic trailer tow hitch
7 Drive, fully automatic trailer tow hitch
8 Switch, trailer socket
9 Tailgate/tailgate lock