LEMON Manuals: Even more car manuals for everyone
Home >> Mini >> 2013 >> Cooper Base, 2D Convertible, Automatic Trans >> Repair and Diagnosis >> External Pages >> Different car >> Section 4476 (Functional Description - F10 - Stability Control System, Tire & Wheel System, Lubrication System) >> Stability Control System - Functional Description >> Dynamic stability control (DSC) >> Hydraulic system diagram

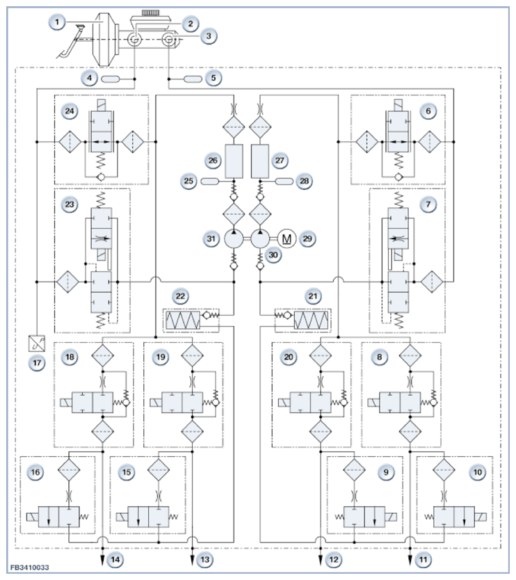
Hydraulic system diagram

WARNING: This page does not describe the selected car, but rather 45 other vehicles, including the 2016 BMW M5, 2016 BMW 550i xDrive, 2016 BMW 550i, 2016 BMW 535i xDrive, and 2016 BMW 535i. However, it is still accessible from the selected car via links, so may be relevant.
Fig 1: Hydraulic System - Circuit Diagram
G09908327Courtesy of BMW OF NORTH AMERICA, INC.
Item Explanation
1 Tandem brake master cylinder
2 Primary circuit
3 Secondary circuit
4 Primary circuit damping volume
5 Secondary circuit damping volume
6 Separator valve
7 Electric changeover valve
8 Inlet valve, left rear
9 Outlet valve, right rear
10 Outlet valve, left rear
11 Secondary circuit, left rear
12 Secondary circuit, right rear
13 Primary circuit, left front
14 Primary circuit, right front
15 Outlet valve, front left
16 Outlet valve, front right
17 Brake pressure sensor
18 Inlet valve, right front
19 Inlet valve, left front
20 Inlet valve, right rear
21 Low pressure accumulator
22 Low pressure accumulator
23 Electric changeover valve
24 Separator valve
25 Primary circuit damping volume
26 Primary circuit damping volume
27 Secondary circuit damping volume
28 Secondary circuit damping volume
29 Direct current motor
30 2-circuit hydraulic pump, secondary circuit
31 2-circuit hydraulic pump, primary circuit