LEMON Manuals: Even more car manuals for everyone
Home >> Mercury >> 2009 >> Sable Base, FWD >> Repair and Diagnosis >> External Pages >> Different car >> Section 640 (Module Communications Network) >> Diagnosis And Testing >> Communications Network >> Pinpoint Tests >> Pinpoint Test M: The Digital Signal Processing Module Does Not Respond To The Diagnostic Tool >> Pinpoint Test M: The Digital Signal Processing Module Does Not Respond To The Diagnostic Tool

Pinpoint Test M: The Digital Signal Processing Module Does Not Respond To The Diagnostic Tool

WARNING: This page is about a different car, the 2006 Mercury Milan, 2006 Lincoln Zephyr, and 2006 Ford Fusion. However, it is still accessible from the selected car via links, so may be relevant.
CAUTION: Use the correct probe adaptor(s) when making measurements. Failure to use the correct probe adaptor(s) may damage the connector.
  1. M1 CHECK THE DIGITAL SIGNAL PROCESSING MODULE C4326A FOR DAMAGE 
    • Key in OFF position.
    • Disconnect: Digital Signal Processing Module C4326a.
    • Inspect the digital signal processing module C4326a for damage.
    • Is the digital signal processing module C4326a OK? 

    Yes  : GO to M2.

    No  : REPAIR the digital signal processing module connector as necessary. CONNECT the digital signal processing module C4326a. CARRY OUT the data link diagnostics test.

  2. M2 CHECK THE MEDIUM SPEED CAN CIRCUITS BETWEEN THE DLC AND THE DIGITAL SIGNAL PROCESSING MODULE FOR AN OPEN 
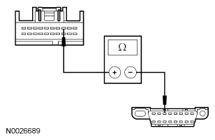
    • Measure the resistance between the digital signal processing module C4326a-3, circuit VDB06 (GY/OG), harness side and the DLC C251-3, circuit VDB06 (GY/OG), harness side.
      Fig 1: Checking Medium Speed CAN Circuits Between DLC And Digital Signal Processing Module For Open (1 Of 2)
      G04682939Courtesy of FORD MOTOR CO.
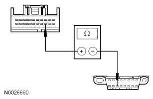
    • Measure the resistance between the digital signal processing module C4326a-13, circuit VDB07 (VT/OG), harness side and the DLC C251-11, circuit VDB07 (VT/OG), harness side.
      Fig 2: Checking Medium Speed CAN Circuits Between DLC And Digital Signal Processing Module For Open (2 Of 2)
      G04682940Courtesy of FORD MOTOR CO.
    • Are the resistances less than 5 ohms? 

    Yes  : GO to M3.

    No  : REPAIR the circuit. CONNECT the digital signal processing module C4326a. CARRY OUT the data link diagnostics test.

  3. M3 CHECK FOR CORRECT DIGITAL SIGNAL PROCESSING MODULE OPERATION 
    • Disconnect all the digital signal processing module connectors.
    • Check for:
      • Corrosion
      • Pushed-out pins
    • Connect all the digital signal processing module connectors and make sure they seat correctly.
    • Operate the system and verify the concern is still present.
    • Is the concern still present? 

    Yes  : INSTALL a digital signal processing module. REFER to ENTERTAINMENT SYSTEM - GENERAL INFORMATION . CLEAR the diagnostic trouble codes (DTCs). REPEAT the self-test. CARRY OUT the data link diagnostics test.

    No  : The system is operating correctly at this time. The concern may have been caused by a loose or corroded connector. CLEAR the DTCs. REPEAT the self-test. CARRY OUT the data link diagnostics test.