LEMON Manuals: Even more car manuals for everyone
Home >> Mercury >> 2009 >> Sable Base, AWD >> Repair and Diagnosis >> External Pages >> Different car >> Section 316 (Component Testing) >> Component Testing >> Window adjust switch, passenger side - Zephyr >> Window switch - Schematic

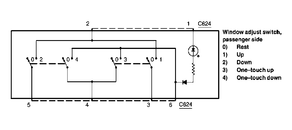
Window switch - Schematic

WARNING: This page is about a different car, the 2006 Mercury Milan, 2006 Lincoln Zephyr, and 2006 Ford Fusion. However, it is still accessible from the selected car via links, so may be relevant.
Fig 1: Window Adjust Switch, Passenger Side - Zephyr Schematic
G04597723Courtesy of FORD MOTOR CO.