LEMON Manuals: Even more car manuals for everyone
Home >> Mercury >> 2009 >> Sable Base, AWD >> Repair and Diagnosis >> External Pages >> Different car >> Section 315 (Component Testing) >> Component Testing >> Lumbar adjust switch, right front >> Schematic

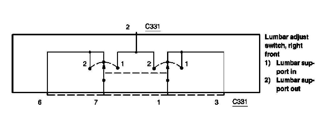
Lumbar adjust switch, right front: Schematic

WARNING: This page is about a different car, the 2006 Lincoln Town Car. However, it is still accessible from the selected car via links, so may be relevant.
Fig 1: Lumbar Adjust Switch, Right Front - Schematic Diagram
G04598235Courtesy of FORD MOTOR CO.