LEMON Manuals: Even more car manuals for everyone
Home >> Mercury >> 2009 >> Sable Base, AWD >> Repair and Diagnosis >> External Pages >> Different car >> Section 212 (Component Testing) >> Component testing >> Seat adjust switch, driver side front (14A701), Without power recliner >> Schematic

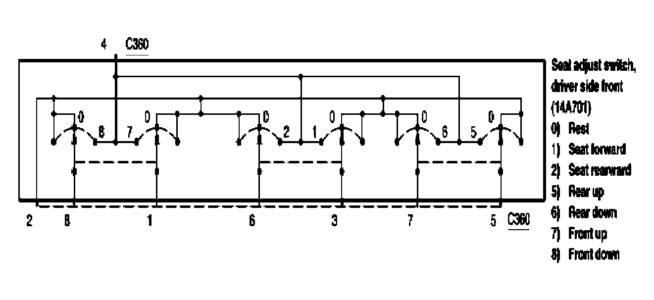
Seat adjust switch, driver side front (14A701), Without power recliner: Schematic

WARNING: This page is about a different car, the 2005 Mercury Montego, 2005 Ford Freestyle, and 2005 Ford Five Hundred. However, it is still accessible from the selected car via links, so may be relevant.
Fig 1: Seat Adjust Switch, Driver Side Front (14A701), Without Power Recliner - Schematic
G03994283Courtesy of FORD MOTOR CO.