LEMON Manuals: Even more car manuals for everyone
Home >> Mercury >> 2009 >> Sable Base, AWD >> Repair and Diagnosis >> External Pages >> Different car >> Section 1573 (Module Communications Network) >> Diagnosis And Testing >> Communications Network >> Pinpoint Tests >> Pinpoint Test J: The Parking Aid Module (PAM) Does Not Respond To The Scan Tool >> Pinpoint Test J: The PAM Does Not Respond To The Scan Tool

Pinpoint Test J: The PAM Does Not Respond To The Scan Tool

WARNING: This page is about a different car, the 2010 Mercury Mariner and 2010 Ford Escape. However, it is still accessible from the selected car via links, so may be relevant.
NOTE: Use the correct probe adapter(s) when making measurements. Failure to use the correct probe adapter(s) may damage the connector.
NOTE: Failure to disconnect the battery when instructed will result in false resistance readings. Refer to BATTERY, MOUNTING AND CABLES .
  1. J1 CHECK THE PAM VOLTAGE SUPPLY CIRCUIT FOR AN OPEN 
    • Ignition OFF.
    • Disconnect: PAM  C4014.
    • Ignition ON.
    • Measure the voltage between the PAM  C4014-1, circuit CBP35 (YE/GY), harness side and ground.
      Fig 1: Measuring Voltage Between PAM C4014-1, Circuit CBP35 (YE/GY), Harness Side And Ground
      G06065491Courtesy of FORD MOTOR CO.
    • Is the voltage greater than 10 volts? 
    • Yes:  GO to J2  .
    • No:  VERIFY the Smart Junction Box (SJB) fuse 35 (10A) is OK. If OK, REPAIR the circuit. If not OK, REFER to the appropriate SYSTEM WIRING DIAGRAMS article to identify the possible causes of the short circuit. TEST the system for normal operation.
  2. J2 CHECK THE PAM GROUND CIRCUIT FOR AN OPEN 
    • Ignition OFF.
    • Disconnect: Negative Battery Cable.
    • Measure the resistance between the PAM  C4014-4, circuit GD182 (BK/GY), harness side and ground.
      Fig 2: Measuring Resistance Between PAM C4014-4, Circuit GD182 (BK/GY), Harness Side And Ground
      G06065492Courtesy of FORD MOTOR CO.
    • Is the resistance less than 5 ohms? 
    • Yes:  GO to J3  .
    • No:  REPAIR the circuit. CONNECT the negative battery cable. TEST the system for normal operation.
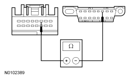
  3. J3 CHECK THE HS-CAN CIRCUITS BETWEEN THE PAM AND THE DLC FOR AN OPEN 
    • Measure the resistance between the PAM  C4014-3, circuit VDB04 (WH/BU), harness side and the DLC  C251-6, circuit VDB04 (WH/BU), harness side.
      Fig 3: Measuring Resistance Between PAM C4014-3, Circuit VDB04 (WH/BU) And DLC C251-6, Circuit VDB04 (WH/BU), Harness Side
      G06254373Courtesy of FORD MOTOR CO.
    • Measure the resistance between the PAM  C4014-11, circuit VDB05 (WH), harness side and the DLC  C251-14, circuit VDB05 (WH), harness side.
      Fig 4: Measuring Resistance Between PAM C4014-11, Circuit VDB05 (WH) And Dlc C251-14, Circuit VDB05 (WH), Harness Side
      G06254374Courtesy of FORD MOTOR CO.
    • Are the resistances less than 5 ohms? 
    • Yes:  CONNECT the negative battery cable. GO to J4  .
    • No:  REPAIR the circuit in question. CONNECT the negative battery cable. CLEAR the DTCs. REPEAT the network test with the scan tool.
  4. J4 CHECK FOR CORRECT PAM OPERATION 
    • Disconnect the PAM  connector.
    • Check for:
      • corrosion
      • damaged pins
      • pushed-out pins
    • Connect the PAM  connector and make sure it seats correctly.
    • Operate the system and verify the concern is still present.
    • Is the concern still present? 
    • Yes:  INSTALL a new PAM  . REFER to PARKING AID . CLEAR the DTCs. REPEAT the network test with the scan tool.
    • No:  The system is operating correctly at this time. The concern may have been caused by a loose or corroded connector.