LEMON Manuals: Even more car manuals for everyone
Home >> Mercury >> 2009 >> Sable Base, AWD >> Repair and Diagnosis >> External Pages >> Different car >> Section 1573 (Module Communications Network) >> Diagnosis And Testing >> Communications Network >> Pinpoint Tests >> Pinpoint Test C: The Instrument Cluster (IC) Does Not Respond To The Scan Tool >> Pinpoint Test C: The Ic Does Not Respond To The Scan Tool

Pinpoint Test C: The Ic Does Not Respond To The Scan Tool

WARNING: This page is about a different car, the 2010 Mercury Mariner and 2010 Ford Escape. However, it is still accessible from the selected car via links, so may be relevant.
NOTE: Use the correct probe adapter(s) when making measurements. Failure to use the correct probe adapter(s) may damage the connector.
NOTE: Failure to disconnect the battery when instructed will result in false resistance readings. Refer to BATTERY, MOUNTING AND CABLES .
  1. C1 CHECK THE HS-CAN TERMINATION RESISTANCE 
    • Ignition OFF.
    • Disconnect: Negative Battery Cable.
    • Disconnect the scan tool cable from the Data Link Connector (DLC).
    • Measure the resistance between the DLC  C251-6, circuit VDB04 (WH/BU), harness side and the DLC  C251-14, circuit 1828 (PK/LG), harness side.
      Fig 1: Measuring Resistance Between DLC C251-6, Circuit VDB04 (WH/BU) And DLC C251-14, Circuit VDB05 (WH), Harness Side
      G06065430Courtesy of FORD MOTOR CO.
    • Is the resistance between 54 and 66 ohms? 
    • Yes:  GO to  C3.
    • No:  GO to C2  .
  2. C2 CHECK THE HS-CAN CIRCUITS BETWEEN THE IC AND THE DLC FOR AN OPEN 
    • Disconnect: IC  C220.
    • Measure the resistance between the IC  C220-15, circuit VDB04 (WH/BU), harness side and the DLC  C251-6, circuit VDB04 (WH/BU), harness side.
      Fig 2: Measuring Resistance Between IC C220-15, Circuit VDB04 (WH/BU) And DLC C251-6, Circuit VDB04 (WH/BU), Harness Side
      G06390945Courtesy of FORD MOTOR CO.
    • Measure the resistance between the IC  C220-14, circuit VDB05 (WH), harness side and the DLC  C251-14, circuit VDB05 (WH), harness side.
      Fig 3: Measuring Resistance Between IC C220-14, Circuit VDB05 (WH) And DLC C251-14, Circuit VDB05 (WH), Harness Side
      G06390946Courtesy of FORD MOTOR CO.
    • Are the resistances less than 5 ohms? 
    • Yes:  CONNECT the negative battery cable. GO to  C7.
    • No:  REPAIR the circuit in question. CONNECT the negative battery cable. CLEAR the DTCs. REPEAT the network test with the scan tool.
  3. C3 CHECK THE MS-CAN TERMINATION RESISTANCE 
    • Measure the resistance between the DLC  C251-3, circuit VDB06 (GY/OG), harness side and the DLC  C251-11, circuit VDB07 (VT/OG), harness side.
      Fig 4: Measuring Resistance Between DLC C251-3, Circuit VDB06 (GY/OG) And DLC C251-11, Circuit VDB07 (VT/OG), Harness Side
      G06065533Courtesy of FORD MOTOR CO.
    • Is the resistance between 54 and 66 ohms? 
    • Yes:  GO to  C5.
    • No:  GO to C4  .
  4. C4 CHECK THE MS-CAN CIRCUITS BETWEEN THE IC AND THE DLC FOR AN OPEN 
    • Measure the resistance between the IC  C220-2, circuit VDB06 (GY/OG), harness side and the DLC  C251-3, circuit VDB06 (GY/OG), harness side.
      Fig 5: Measuring Resistance Between IC C220-2, Circuit VDB06 (GY/OG) And DLC C251-3, Circuit VDB06 (GY/OG), Harness Side
      G06390948Courtesy of FORD MOTOR CO.
    • Measure the resistance between the IC  C220-1, circuit VDB07 (VT/OG), harness side and the DLC  C251-11, circuit VDB07 (VT/OG), harness side.
      Fig 6: Measuring Resistance Between IC C220-1, Circuit VDB07 (VT/OG) And DLC C251-11, Circuit VDB07 (VT/OG), Harness Side
      G06390949Courtesy of FORD MOTOR CO.
    • Are the resistances less than 5 ohms? 
    • Yes:  CONNECT the negative battery cable. GO to  C7.
    • No:  REPAIR the circuit in question. CONNECT the negative battery cable. CLEAR the DTCs. REPEAT the network test with the scan tool.
  5. C5 CHECK THE IC GROUND CIRCUIT FOR AN OPEN 
    • Measure the resistance between the IC  C220-9, circuit GD112 (BK/GN), harness side and ground.
      Fig 7: Measuring Resistance Between IC C220-9, Circuit GD112 (BK/GN), Harness Side And Ground
      G06390950Courtesy of FORD MOTOR CO.
    • Is the resistance less than 5 ohms? 
    • Yes:  CONNECT the negative battery cable. GO to C6  .
    • No:  REPAIR the circuit. CONNECT the negative battery cable. CLEAR the DTCs. REPEAT the network test with the scan tool.
  6. C6 CHECK THE IC VOLTAGE SUPPLY CIRCUITS FOR AN OPEN 
    • Disconnect: IC  C220.
    • Ignition ON.
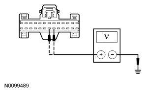
    • Measure the voltage between the IC  C220-19, circuit SBP26 (YE/RD), harness side and ground; and between the IC  C220-20, circuit CBP29 (WH/VT), harness side and ground.
      Fig 8: Measuring Voltage Between IC C220-19, Circuit SBP26 (YE/RD) And Between C220-20, Circuit CBP29 (WH/VT), Harness Side And Ground
      G06390951Courtesy of FORD MOTOR CO.
    • Are the voltages greater than 10 volts? 
    • Yes:  GO to C7  .
    • No:  VERIFY the Smart Junction Box (SJB) fuse 26 (10A) or 29 (5A) is OK. If OK, REPAIR the circuit in question. If not OK, REFER to the appropriate SYSTEM WIRING DIAGRAMS article to identify the possible causes of the short circuit. CLEAR the DTCs. REPEAT the network test with the scan tool.
  7. C7 CHECK FOR CORRECT IC OPERATION 
    • Disconnect the IC  connector.
    • Check for:
      • corrosion
      • damaged pins
      • pushed-out pins
    • Connect the IC  connector and make sure it seats correctly.
    • Operate the system and verify the concern is still present.
    • Is the concern still present? 
    • Yes:  INSTALL a new IC  . REFER to INSTRUMENTATION, MESSAGE CENTER, AND WARNING CHIMES . CLEAR the DTCs. REPEAT the network test with the scan tool.
    • No:  The system is operating correctly at this time. The concern may have been caused by a loose or corroded connector.