LEMON Manuals: Even more car manuals for everyone
Home >> Mercury >> 2009 >> Sable Base, AWD >> Repair and Diagnosis >> External Pages >> Different car >> Section 1460 (Module Communications Network) >> Diagnosis And Testing >> Communications Network >> Pinpoint Test C: The IPC Does Not Respond To The Scan Tool >> Notes

Pinpoint Test C: The IPC Does Not Respond To The Scan Tool: Notes

WARNING: This page is about a different car, the 2010 Mercury Milan, 2010 Lincoln MKZ, and 2010 Ford Fusion. However, it is still accessible from the selected car via links, so may be relevant.
NOTE: Use the correct probe adapter(s) when making measurements. Failure to use the correct probe adapter(s) may damage the connector.
NOTE: Failure to disconnect the battery when instructed will result in false resistance readings. Refer to BATTERY, MOUNTING AND CABLES .
  1. C1 CHECK THE IPC VOLTAGE SUPPLY CIRCUITS FOR AN OPEN 
    • Disconnect: Instrument Panel Cluster (IPC) C220.
    • Ignition ON.
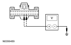
    • For gasoline engine, measure the voltage between the IPC  C220-20, circuit CBP29 (WH/VT), harness side and ground; and between the IPC  C220-21, circuit SBP26 (YE/RD), harness side and ground.
      Fig 1: Checking IPC Voltage Supply Circuits For An Open (1 Of 2)
      G06258926Courtesy of FORD MOTOR CO.
    • For hybrid engine, measure the voltage between the IPC  C220-20, circuit CBP29 (WH/VT), harness side and ground; and between the IPC C220-19, circuit SBP26 (YE/RD), harness side and ground.
      Fig 2: Checking IPC Voltage Supply Circuits For An Open (2 Of 2)
      G06258927Courtesy of FORD MOTOR CO.
    • Are the voltages greater than 10 volts? 
    • Yes  : GO to  C2.
    • No  : VERIFY the Smart Junction Box (SJB) fuses 29 (5A) or 26 (15A) are OK. If OK, REPAIR the circuit in question. CLEAR the DTCs. If not OK, REFER to the appropriate SYSTEM WIRING DIAGRAMS article to identify the possible causes of the circuit short. REPEAT the network test with the scan tool.
  2. C2 CHECK THE IPC GROUND CIRCUIT FOR AN OPEN 
    • Ignition OFF.
    • Disconnect: Negative Battery Cable.
    • For gasoline engine, measure the resistance between the IPC  C220-5, circuit GD116 (BK/VT) harness side and ground.
      Fig 3: Measuring Resistance Between IPC C220-5, Circuit GD116 (BK/VT) Harness Side And Ground
      G06258928Courtesy of FORD MOTOR CO.
    • For hybrid engine, measure the resistance between the IPC  C220-9, circuit GD116 (BK/VT) harness side and ground.
      Fig 4: Measuring Resistance Between IPC C220-9, Circuit GD116 (BK/VT) Harness Side And Ground
      G06258929Courtesy of FORD MOTOR CO.
    • Is the resistance less than 5 ohms? 
    • Yes  : For gasoline engine, GO to  C3.

      For hybrid engine, GO to  C5.

    • No  : REPAIR the circuit. CLEAR the DTCs. REPEAT the network test with the scan tool.
  3. C3 CHECK THE HS-CAN TERMINATION RESISTANCE 
    • Disconnect the scan tool cable from the Data Link Connector (DLC).
    • Measure the resistance between the DLC C251-6, circuit VDB04 (WH/BU), harness side and the DLC C251-14, circuit VDB05 (WH), harness side.
      Fig 5: Checking HS-CAN Termination Resistance
      G06258930Courtesy of FORD MOTOR CO.
    • Is the resistance between 54 and 66 ohms? 
    • Yes  : GO to  C6.
    • No  : GO to  C4.
  4. C4 CHECK THE HS-CAN CIRCUITS BETWEEN THE DLC AND THE IPC FOR AN OPEN - GASOLINE 
    • Measure the resistance between the IPC  C220-25, circuit VDB04 (WH/BU), harness side and the DLC  C251-6, circuit VDB04 (WH/BU), harness side.
      Fig 6: Checking HS-CAN Circuits Between DLC And IPC For An Open - Gasoline (1 Of 2)
      G06258931Courtesy of FORD MOTOR CO.
    • Measure the resistance between the IPC  C220-26, circuit VDB05 (WH), harness side and the DLC  C251-14, circuit VDB05 (WH), harness side.
      Fig 7: Checking HS-CAN Circuits Between DLC And IPC For An Open - Gasoline (2 Of 2)
      G06258932Courtesy of FORD MOTOR CO.
    • Are the resistances less than 5 ohms? 
    • Yes  : GO to  C6.
    • No  : REPAIR the circuit in question. CONNECT the negative battery cable. CLEAR the DTCs. REPEAT the network test with the scan tool.
  5. C5 CHECK THE HS-CAN CIRCUITS BETWEEN THE DLC AND THE IPC FOR AN OPEN - HYBRID 
    • Measure the resistance between the IPC  C220-15, circuit VDB04 (WH/BU), harness side and the DLC  C251-6, circuit VDB04 (WH/BU), harness side.
      Fig 8: Checking HS-CAN Circuits Between DLC And IPC For An Open - Hybrid (1 Of 2)
      G06258933Courtesy of FORD MOTOR CO.
    • Measure the resistance between the IPC  C220-14, circuit VDB05 (WH), harness side and the DLC  C251-14, circuit VDB05 (WH), harness side.
      Fig 9: Checking HS-CAN Circuits Between DLC And IPC For An Open - Hybrid (2 Of 2)
      G06258934Courtesy of FORD MOTOR CO.
    • Are the resistances less than 5 ohms? 
    • Yes  : GO to  C7.
    • No  : REPAIR the circuit in question. CONNECT the negative battery cable. CLEAR the DTCs. REPEAT the network test with the scan tool.
  6. C6 CHECK THE MS-CAN CIRCUITS BETWEEN THE DLC AND THE IPC FOR AN OPEN - GASOLINE 
    • Measure the resistance between the IPC  C220-12, circuit VDB06 (GY/OG), harness side and the DLC  C251-3, circuit VDB06 (GY/OG), harness side.
      Fig 10: Checking MS-CAN Circuits Between DLC And IPC For An Open - Gasoline (1 Of 2)
      G06258935Courtesy of FORD MOTOR CO.
    • Measure the resistance between the IPC  C220-13, circuit VDB07 (VT/OG), harness side and the DLC  C251-11, circuit VDB07 (VT/OG), harness side.
      Fig 11: Checking MS-CAN Circuits Between DLC And IPC For An Open - Gasoline (2 Of 2)
      G06258936Courtesy of FORD MOTOR CO.
    • Are the resistances less than 5 ohms? 
    • Yes  : CONNECT the negative battery cable. GO to  C8.
    • No  : REPAIR the circuit in question. CONNECT the negative battery cable. CLEAR the DTCs. REPEAT the network test with the scan tool.
  7. C7 CHECK THE MS-CAN CIRCUITS BETWEEN THE DLC AND THE IPC FOR AN OPEN - HYBRID 
    • Measure the resistance between the IPC  C220-2, circuit VDB06 (GY/OG), harness side and the DLC  C251-3, circuit VDB06 (GY/OG), harness side.
      Fig 12: Checking MS-CAN Circuits Between DLC And IPC For An Open - Hybrid (1 Of 2)
      G06258937Courtesy of FORD MOTOR CO.
    • Measure the resistance between the IPC  C220-1, circuit VDB07 (VT/OG), harness side and the DLC  C251-11, circuit VDB07 (VT/OG), harness side.
      Fig 13: Checking MS-CAN Circuits Between DLC And IPC For An Open - Hybrid (2 Of 2)
      G06258938Courtesy of FORD MOTOR CO.
    • Are the resistances less than 5 ohms? 
    • Yes  : CONNECT the negative battery cable. GO to  C8.
    • No  : REPAIR the circuit in question. CONNECT the negative battery cable. CLEAR the DTCs. REPEAT the network test with the scan tool.
  8. C8 CHECK FOR CORRECT IPC OPERATION