LEMON Manuals: Even more car manuals for everyone
Home >> Mercury >> 2009 >> Sable Base, AWD >> Repair and Diagnosis >> External Pages >> Different car >> Section 1357 (Module Communications Network) >> Diagnostic Tests >> Communications Network >> Pinpoint Tests >> Pinpoint Test J: The Fire Suppression System Module (FSSM) Does Not Respond To The Scan Tool

Pinpoint Test J: The Fire Suppression System Module (FSSM) Does Not Respond To The Scan Tool

WARNING: This page is about a different car, the 2009 Mercury Grand Marquis and 2009 Ford Crown Victoria. However, it is still accessible from the selected car via links, so may be relevant.

Refer to appropriate SYSTEM WIRING DIAGRAMS article, Module Communications Network for schematic and connector information.

Refer to appropriate SYSTEM WIRING DIAGRAMS article, Police Option for schematic and connector information.

Normal Operation 

The fire suppression system module (FSSM) (if equipped) communicates with the scan tool through the international standards organization (ISO) 9141 network circuit 70 (LB/WH). The FSSM also communicates with the PCM via the high speed controller area network (HS-CAN) circuits 1827 (WH/LG) and 1828 (PK/LG). Voltage for the FSSM is supplied on circuit 2319 (RD/YE). Ground is supplied through the module chassis and through circuit 1203 (BK/LB).

This pinpoint test is intended to diagnose the following:

WARNING: Do not reuse steering column shaft bolts. This may result in fastener failure and steering column shaft detachment or loss of steering control. Failure to follow this instruction may result in serious injury to vehicle occupant(s).
WARNING: Before servicing a vehicle equipped with a fire suppression system, depower the system by following the procedure in FIRE SUPPRESSION SYSTEM article. Failure to follow the instructions may result in serious personal injury.
WARNING: If equipped with fire suppression system, refer to FIRE SUPPRESSION SYSTEM article for Important Safety Warnings. Failure to follow this instruction may result in serious personal injury.
WARNING: The fire suppression system backup power supply must be depleted before lifting the vehicle or when repairing or replacing any of the following:
  • Fire suppression system components
  • Components located near the fire suppression manual switch
  • Fuel tank and components located near the fuel tank
  • Rear axle and components located near the rear axle

To deplete the backup power supply, disconnect the battery and wait at least 1 minute. Be sure to disconnect all auxiliary batteries and power supplies (if equipped). Failure to follow these instructions may result in serious personal injury.

WARNING: To reduce the risk of accidental deployment, do not use any memory saver devices when depowering the fire suppression system. Failure to follow this instruction may result in serious personal injury.
WARNING: If the vehicle is equipped with a fire suppression system, disconnect the battery before anyone gets under the vehicle or near the rear axle area. You could unintentionally deploy the fire suppression system. Failure to follow these instructions may result in serious personal injury.
WARNING: The tightening torque of the fire suppression system module (FSSM) bolts and the FSSM orientation on the body of the vehicle is critical for correct system operation. Always tighten and orient the FSSM per specifications. Failure to do so may result in incorrect fire suppression system operation, which increases the risk that it will not protect vehicle occupant(s).
WARNING: To reduce the risk of accidental deployment, never probe the connectors on the fire suppressors. Failure to follow this instruction may cause unintentional deployment of the suppressors, which may result in serious personal injury.

PINPOINT TEST J: THE FIRE SUPPRESSION SYSTEM MODULE (FSSM) DOES NOT RESPOND TO THE SCAN TOOL 

  1. J1 CHECK THE FSSM VOLTAGE SUPPLY CIRCUIT FOR AN OPEN 
    • Key in OFF position.
    • Disconnect the battery. Refer to BATTERY, MOUNTING & CABLES article.
    • Wait approximately 60 seconds to allow the FSSM back-up power supply to discharge.
    • Disconnect: FSSM C3281a
    • Connect the battery.
    • Key in ON position.
    • Fig 1: Checking Circuit For Voltage
      GF0014655Courtesy of FORD MOTOR CO.
    • Measure the voltage between the FSSM C3281a-1, circuit 2319 (RD/YE), harness side and ground.
    • Is the voltage greater than 10 volts? 
    1. YES  : Go to  J2.
    2. NO  : VERIFY the central junction box (CJB) fuse 33 (10A) is OK. If OK, DISCONNECT the battery. REPAIR the circuit. CONNECT the FSSM. CONNECT the battery. CLEAR the DTCs. REPEAT the network test with the scan tool.
  2. J2 CHECK THE FSSM CASE GROUND 
    • Key in OFF position.
    • Measure the resistance between the FSSM case and the battery ground terminal.
    • Is the resistance less than 5 ohms? 
    1. YES  : Go to  J3.
    2. NO  : DISCONNECT the battery. REPAIR the ground connection to the FSSM case. CONNECT the FSSM. CONNECT the battery. CLEAR the DTCs. REPEAT the network test with the scan tool.
  3. J3 CHECK THE GROUND CIRCUIT 
      Fig 2: Checking Circuit For Open
      GF0014470Courtesy of FORD MOTOR CO.
    • Measure the resistance between the FSSM C3281a-7, circuit 1203 (BK/LB), harness side and ground.
    • Is the resistance less than 5 ohms? 
    1. YES  : Go to  J4.
    2. NO  : DISCONNECT the battery. REPAIR the circuit. CONNECT the FSSM C3281a. CONNECT the battery. CLEAR the DTCs. REPEAT the network test with the scan tool.
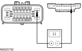
  4. J4 CHECK CIRCUIT 70 (LB/WH) BETWEEN THE DATA LINK CONNECTOR (DLC) AND THE FSSM FOR AN OPEN 
      Fig 3: Checking Circuit For Open
      GF0014656Courtesy of FORD MOTOR CO.
    • Measure the resistance between the FSSM C3281a-9, circuit 70 (LB/WH), harness side and the DLC C251-7, circuit 70 (LB/WH), harness side.
    • Is the resistance less than 5 ohms? 
    1. YES  : Go to  J5.
    2. NO  : REPAIR the circuit. DISCONNECT the battery. CONNECT the FSSM C3281a. CONNECT the battery. REFER to BATTERY, MOUNTING & CABLES article. CLEAR the DTCs. REPEAT the network test with the scan tool.
  5. J5 CHECK THE HS-CAN CIRCUITS BETWEEN THE FSSM AND THE DLC FOR AN OPEN 
      Fig 4: Checking Circuit For Open
      GF0014657Courtesy of FORD MOTOR CO.
    • Measure the resistance between the FSSM C3281a-16, circuit 1827 (WH/LG), harness side and the DLC C251-6, circuit 1827 (WH/LG), harness side.
    • Fig 5: Checking Circuit For Open
      GF0014658Courtesy of FORD MOTOR CO.
    • Measure the resistance between the FSSM C3281a-8, circuit 1828 (PK/LG), harness side and the DLC C251-14, circuit 1828 (PK/LG), harness side.
    • Are the resistances less than 5 ohms? 
    1. YES  : Go to  J6.
    2. NO  : REPAIR the circuit in question. DISCONNECT the battery. CONNECT the FSSM C3281a. CONNECT the battery. REFER to BATTERY, MOUNTING & CABLES article. CLEAR the DTCs. REPEAT the network test with the scan tool.
  6. J6 CHECK FOR CORRECT FSSM OPERATION 
    • Disconnect all the FSSM connectors.
    • Check for:
      • corrosion
      • damaged pins
      • pushed-out pins
    • Connect all the FSSM connectors and make sure they seat correctly.
    • Operate the system and verify the concern is still present.
    • Is the concern still present? 
    1. YES  : INSTALL a new FSSM. REFER to FIRE SUPPRESSION SYSTEM article. CLEAR the DTCs. REPEAT the network test with the scan tool.
    2. NO  : The system is operating correctly at this time. The concern may have been caused by a loose or corroded connector. CLEAR the DTCs. REPEAT the network test with the scan tool.