LEMON Manuals: Even more car manuals for everyone
Home >> Mercury >> 2009 >> Sable Base, AWD >> Repair and Diagnosis >> External Pages >> Different car >> Section 1357 (Module Communications Network) >> Diagnostic Tests >> Communications Network >> Pinpoint Tests >> Pinpoint Test H: The Overhead Console Message Center (MC) Does Not Respond To The Scan Tool

Pinpoint Test H: The Overhead Console Message Center (MC) Does Not Respond To The Scan Tool

WARNING: This page is about a different car, the 2009 Mercury Grand Marquis and 2009 Ford Crown Victoria. However, it is still accessible from the selected car via links, so may be relevant.

Refer to appropriate SYSTEM WIRING DIAGRAMS article, Module Communications Network for schematic and connector information.

Refer to appropriate SYSTEM WIRING DIAGRAMS article, Overhead Console for schematic and connector information.

Normal Operation 

The overhead console message center (MC) is present only on vehicles equipped with an overhead console with compass display. The MC communicates with the scan tool through the standard corporate protocol (SCP) network. Circuits 914 (TN/OG) (SCP +) and 915 (PK/LB) (SCP-) provide the network connection to the MC. The MC shares the SCP network with the lighting control module (LCM), the heating ventilation air conditioning (HVAC) module (if equipped) and the driver door module (DDM) (if equipped). Voltage for the MC is provided by circuits 964 (DB/LG) and 931 (OG). Circuit 676 (PK/OG) provides ground.

This pinpoint test is intended to diagnose the following:

PINPOINT TEST H: THE OVERHEAD CONSOLE MESSAGE CENTER (MC) DOES NOT RESPOND TO THE SCAN TOOL 

NOTE: Use the correct probe adapter(s) when making measurements. Failure to use the correct probe adapter(s) may damage the connector.
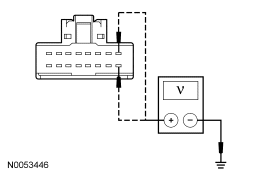
  1. H1 CHECK THE MC VOLTAGE SUPPLY CIRCUITS FOR AN OPEN 
    • Key in OFF position.
    • Disconnect: MC C9013a
    • Key in ON position.
    • Fig 1: Checking Circuits For Open
      GF0014651Courtesy of FORD MOTOR CO.
    • Measure the voltage between the MC C9013a-1, circuit 964 (DB/LG), harness side and ground; and between the MC C9013a-9, circuit 931 (OG), harness side and ground.
    • Are the voltages greater than 10 volts? 
    1. YES  : Go to  H2.
    2. NO  : VERIFY the central junction box (CJB) fuse 9 (7.5A) and battery junction box (BJB) fuse 2 (20A) are OK. If OK, REPAIR the circuit in question. CLEAR the DTCs. REPEAT the network test with the scan tool.
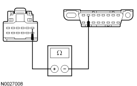
  2. H2 CHECK THE MC GROUND CIRCUIT FOR AN OPEN 
    • Key in OFF position.
    • Fig 2: Checking Circuit For Open
      GF0014652Courtesy of FORD MOTOR CO.
    • Measure the resistance between the MC C9013a-3, circuit 676 (PK/OG), harness side and ground.
    • Is the resistance less than 5 ohms? 
    1. YES  : Go to  H3.
    2. NO  : REPAIR the circuit. CLEAR the DTCs. REPEAT the network test with the scan tool.
  3. H3 CHECK THE SCP CIRCUITS BETWEEN THE MC AND THE DATA LINK CONNECTOR (DLC) FOR AN OPEN 
      Fig 3: Checking Circuit For Open
      GF0014653Courtesy of FORD MOTOR CO.
    • Measure the resistance between the MC C9013b-1, circuit 914 (TN/OG), harness side and the DLC C251-2, circuit 914 (TN/OG), harness side.
    • Fig 4: Checking Circuit For Open
      GF0014654Courtesy of FORD MOTOR CO.
    • Measure the resistance between the MC C9013b-7, circuit 915 (PK/LB), harness side and the DLC C251-10, circuit 915 (PK/LB) harness side.
    • Are the resistances less than 5 ohms? 
    1. YES  : Go to  H4.
    2. NO  : REPAIR the circuit in question. CLEAR the DTCs. REPEAT the network test with the scan tool.
  4. H4 CHECK FOR CORRECT MC OPERATION 
    • Disconnect all the MC connectors.
    • Check for:
      • corrosion
      • damaged pins
      • pushed-out pins
    • Connect all the MC connectors and make sure they seat correctly.
    • Operate the system and verify the concern is still present.
    • Is the concern still present? 
    1. YES  : INSTALL a new MC. REFER to INSTRUMENT PANEL & CONSOLE article. CLEAR the DTCs. REPEAT the network test with the scan tool.
    2. NO  : The system is operating correctly at this time. The concern may have been caused by a loose or corroded connector. CLEAR the DTCs. REPEAT the network test with the scan tool.