LEMON Manuals: Even more car manuals for everyone
Home >> Mercury >> 2009 >> Sable Base, AWD >> Repair and Diagnosis >> External Pages >> Different car >> Section 1357 (Module Communications Network) >> Diagnostic Tests >> Communications Network >> Pinpoint Tests >> Pinpoint Test F: The Vehicle Dynamics Module (VDM) Does Not Respond To The Scan Tool

Pinpoint Test F: The Vehicle Dynamics Module (VDM) Does Not Respond To The Scan Tool

WARNING: This page is about a different car, the 2009 Mercury Grand Marquis and 2009 Ford Crown Victoria. However, it is still accessible from the selected car via links, so may be relevant.

Refer to appropriate SYSTEM WIRING DIAGRAMS article, Module Communications Network for schematic and connector information.

Refer to appropriate SYSTEM WIRING DIAGRAMS article, Vehicle Dynamic Suspension for schematic and connector information.

Normal Operation 

The vehicle dynamics module (VDM) (if equipped) communicates with the scan tool through the high speed controller area network (HS-CAN). Circuits 1827 (WH/LG) (HS-CAN +) and 1828 (PK/LG) (HS-CAN -) provide the network connection to the VDM. The VDM shares the HS-CAN with the PCM, the ABS module and the instrument cluster (IC). Voltage for the VDM is provided by circuits 418 (DG/YE) and 1003 (GY/YE). Circuit 57 (BK) provides ground.

This pinpoint test is intended to diagnose the following:

PINPOINT TEST F: THE VEHICLE DYNAMICS MODULE (VDM) DOES NOT RESPOND TO THE SCAN TOOL 

NOTE: Use the correct probe adapter(s) when making measurements. Failure to use the correct probe adapter(s) may damage the connector.
  1. F1 CHECK THE VDM VOLTAGE SUPPLY CIRCUITS FOR AN OPEN 
    • Key in OFF position.
    • Disconnect: VDM C2131a
    • Key in ON position.
    • Measure the voltage between the VDM, harness side and ground as follows:
      Connector-Pin Circuit
      C2131a-11 418 (DG/YE)
      C2131a-12 418 (DG/YE)
      C2131a-3 1003 (GY/YE)
    • Are the voltages greater than 10 volts? 
    1. YES  : Go to  F2.
    2. NO  : VERIFY the battery junction box (BJB) fuse 5 (10A) and the central junction box (CJB) fuse 13 (10A) is OK. If OK, REPAIR the circuit in question. CLEAR the DTCs. REPEAT the network test with the scan tool.
  2. F2 CHECK THE VDM GROUND CIRCUITS FOR AN OPEN 
    • Key in OFF position.
    • Disconnect: VDM C2131b
    • Measure the resistance between the VDM, harness side and ground as follows:
      Connector-Pin Circuit
      C2131a-5 57 (BK)
      C2131a-14 57 (BK)
    • Are the resistances less than 5 ohms? 
    1. YES  : Go to  F3.
    2. NO  : REPAIR the circuit in question. CLEAR the DTCs. REPEAT the network test with the scan tool.
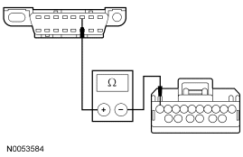
  3. F3 CHECK THE HS-CAN CIRCUITS BETWEEN THE DATA LINK CONNECTOR (DLC) AND THE VDM FOR AN OPEN 
      Fig 1: Checking Circuit For Open
      GF0014645Courtesy of FORD MOTOR CO.
    • Measure the resistance between the VDM C2131a-10, circuit 1827 (WH/LG), harness side and the DLC C251-6, circuit 1827 (WH/LG), harness side.
    • Fig 2: Checking Circuit For Open
      GF0014646Courtesy of FORD MOTOR CO.
    • Measure the resistance between the VDM C2131a-9, circuit 1828 (PK/LG), harness side and the DLC C251-14, circuit 1828 (PK/LG) harness side.
    • Are the resistances less than 5 ohms? 
    1. YES  : Go to  F4.
    2. NO  : REPAIR the circuit in question. CLEAR the DTCs. REPEAT the network test with the scan tool.
  4. F4 CHECK FOR CORRECT VDM OPERATION 
    • Disconnect all the VDM connectors.
    • Check for:
      • corrosion
      • damaged pins
      • pushed-out pins
    • Connect all the VDM connectors and make sure they seat correctly.
    • Operate the system and verify the concern is still present.
    • Is the concern still present? 
    1. YES  : INSTALL a new VDM. REFER to VEHICLE DYNAMIC SUSPENSION article. CLEAR the DTCs. REPEAT the network test with the scan tool.
    2. NO  : The system is operating correctly at this time. The concern may have been caused by a loose or corroded connector. CLEAR the DTCs. REPEAT the network test with the scan tool.