LEMON Manuals: Even more car manuals for everyone
Home >> Mercury >> 2009 >> Sable Base, AWD >> Repair and Diagnosis >> External Pages >> Different car >> Section 1187 (Module Communications Network System) >> Diagnostic Tests >> Communications Network >> Pinpoint Tests >> Pinpoint Test L: The Liftgate/Trunk Module (LTM) Does Not Respond With The Scan Tool >> Pinpoint Test L: The Liftgate/Trunk Module (LTM) Does Not Respond To The Scan Tool

Pinpoint Test L: The Liftgate/Trunk Module (LTM) Does Not Respond To The Scan Tool

WARNING: This page is about a different car, the 2008 Mercury Sable, 2008 Ford Taurus X, and 2008 Ford Taurus. However, it is still accessible from the selected car via links, so may be relevant.
NOTE: Use the correct probe adapter(s) when making measurements. Failure to use the correct probe adapter(s) may damage the connector.
  1. L1 CHECK THE VOLTAGE SUPPLY CIRCUIT FOR AN OPEN 
    • Key in OFF position.
    • Disconnect: LTM C4174b
    • Key in ON position.
    • Measure the voltage between the LTM C4174b-4, circuit SBB29 (GY/RD), harness side and ground; measure the voltage between the LTM C4174b-9, circuit SBP14 (BN/RD) harness side and ground.
    • Fig 1: Measuring Voltage
      GF0023568Courtesy of FORD MOTOR CO.
    • Are the voltages greater than 10 volts? 
    1. YES  : Go to  L2.
    2. NO  : VERIFY the smart junction box (SJB) fuse 14 (10A) or BJB fuse 29 (30A) is OK. If OK, REPAIR the circuit in question. CLEAR the DTCs. REPEAT the network test with the scan tool.
  2. L2 CHECK THE GROUND CIRCUIT FOR AN OPEN 
    • Key in OFF position.
    • Measure the resistance between the LTM C4174b-1, circuit GD147 (BK/VT), harness side and ground.
    • Fig 2: Measuring Resistance
      GF0023569Courtesy of FORD MOTOR CO.
    • Is the resistance less than 5 ohms? 
    1. YES  : Go to  L3.
    2. NO  : REPAIR the circuit. CLEAR the DTCs. REPEAT the network test with the scan tool.
  3. L3 CHECK THE MS-CAN CIRCUITS BETWEEN THE DATA LINK CONNECTOR (DLC) AND THE LTM FOR AN OPEN 
    • Disconnect: LTM C4174a
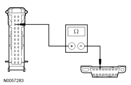
    • Measure the resistance between the LTM C4174a-11, circuit VDB06 (GY/OG), harness side and the DLC C251-3, circuit VDB06 (GY/OG), harness side.
    • Fig 3: Measuring Resistance
      GF0023570Courtesy of FORD MOTOR CO.
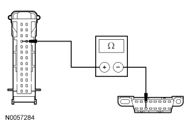
    • Measure the resistance between the LTM C4174a-10, circuit VDB07 (VT/OG), harness side and the DLC C251-11, circuit VDB07 (VT/OG), harness side.
    • Fig 4: Measuring Resistance
      GF0023571Courtesy of FORD MOTOR CO.
    • Are the resistances less than 5 ohms? 
    1. YES  : Go to  L4.
    2. NO  : REPAIR the circuit in question. CLEAR the DTCs. REPEAT the network test with the scan tool.
  4. L4 CHECK FOR CORRECT LTM OPERATION 
    • Disconnect the LTM connector.
    • Check for:
      • corrosion
      • damaged pins
      • pushed-out pins
    • Connect the LTM connectors and make sure they seat correctly.
    • Operate the system and verify the concern is still present.
    • Is the concern still present? 
    1. YES  : INSTALL a new LTM. REFER to BODY CLOSURES article. CLEAR the DTCs. REPEAT the network test with the scan tool.
    2. NO  : The system is operating correctly at this time. The concern may have been caused by a loose or corroded connector. CLEAR the DTCs. REPEAT the network test with the scan tool.