LEMON Manuals: Even more car manuals for everyone
Home >> Mercury >> 2009 >> Sable Base, AWD >> Repair and Diagnosis (Single Page) >> Accessories & Equipment >> Accessories Control Systems >> Component Testing >> Component Testing >> Overhead console - Roof opening panel control switch >> Schematic

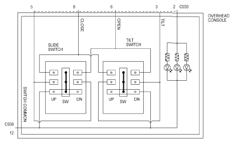
Overhead console - Roof opening panel control switch: Schematic

Fig 1: Overhead Console - Roof Opening Panel Control Switch Schematic
G05789885Courtesy of FORD MOTOR CO.