LEMON Manuals: Even more car manuals for everyone
Home >> Mercury >> 2008 >> Sable Base, FWD >> Repair and Diagnosis >> External Pages >> Different car >> Section 30 (Module Communications Network) >> Diagnostic Tests >> Communications Network >> Pinpoint Tests >> Pinpoint Test D: The Vehicle Security Module (VSM) Does Not Respond To The Scan Tool >> Pinpoint Test D: The Vehicle Security Module (VSM) Does Not Respond To The Scan Tool

Pinpoint Test D: The Vehicle Security Module (VSM) Does Not Respond To The Scan Tool

WARNING: This page is about a different car, the 2008 Ford RV Cutaway, 2008 Ford Econoline, 2008 Ford E450 Super Duty, and 2008 Ford Cutaway. However, it is still accessible from the selected car via links, so may be relevant.
NOTE: Use the correct probe adapter(s) when making measurements. Failure to use the correct probe adapter(s) may damage the connector.
  1. D1 CHECK THE VSM VOLTAGE SUPPLY CIRCUIT FOR AN OPEN 
    • Key in OFF position.
    • Disconnect: VSM C2113a
    • Key in ON position.
    • Measure the voltage between the VSM, harness side and ground as follows:
      Connector-Pin Circuit
      C2113a-20 295 (LB/BK)
      C2113a-23 640 (RD/YE)
      C2113a-24 517 (BK/WH)
    • Are the voltages greater than 10 volts? 
    1. YES  : Go to  D2.
    2. NO  : VERIFY the central junction box (CJB) fuses 2 (10A), 15 (5A) and 23 (20A) are OK. If OK, REPAIR the circuit in question. CLEAR the DTCs. REPEAT the network test with the scan tool.
  2. D2 CHECK THE VSM GROUND CIRCUIT FOR AN OPEN 
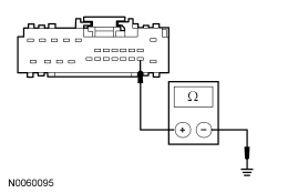
    • Key in OFF position.
    • Fig 1: Checking VSM Ground Circuit For An Open
      GF0012966Courtesy of FORD MOTOR CO.
    • Measure the resistance between the VSM C2113a-14, circuit 1205 (BK), harness side and ground.
    • Is the resistance less than 5 ohms? 
    1. YES  : Go to  D3.
    2. NO  : REPAIR the circuit in question. CLEAR the DTCs. REPEAT the network test with the scan tool.
  3. D3 CHECK FOR AN OPEN BETWEEN THE VSM AND THE DLC 
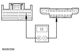
    • Disconnect: VSM C2113b
    • Fig 2: Measuring Resistance Between VSM C2113B-1, Circuit 2180 (WH/BK) & DLC C251-3
      GF0012967Courtesy of FORD MOTOR CO.
    • Measure the resistance between the VSM C2113b-1, circuit 2180 (WH/BK), harness side and the DLC C251-3, circuit 2180 (WH/BK), harness side.
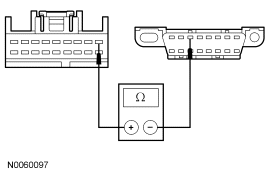
    • Fig 3: Measuring Resistance Between VSM C2113B-2, Circuit 2181 (BK/YE) & DLC C251-11
      GF0012968Courtesy of FORD MOTOR CO.
    • Measure the resistance between the VSM C2113b-2, circuit 2181 (BK/YE), harness side and the DLC C251-11, circuit 2181 (BK/YE), harness side.
    • Are the resistances less than 5 ohms? 
    1. YES  : Go to  D4.
    2. NO  : REPAIR the circuit in question. CLEAR the DTCs. REPEAT the network test with the scan tool.
  4. D4 CHECK FOR CORRECT VSM OPERATION 
    • Disconnect all the VSM connectors.
    • Check for:
      • corrosion
      • damaged pins
      • pushed-out pins
    • Connect all the VSM connectors and make sure they seat correctly.
    • Operate the system and verify the concern is still present.
    • Is the concern still present? 
    1. YES  : INSTALL a new VSM. REFER to MULTIFUNCTION ELECTRONIC MODULES article. CLEAR the DTCs. REPEAT the network test with the scan tool.
    2. NO  : The system is operating correctly at this time. The concern may have been caused by a loose or corroded connector. CLEAR the DTCs. REPEAT the network test with the scan tool.