LEMON Manuals: Even more car manuals for everyone
Home >> Mercury >> 2008 >> Sable Base, AWD >> Repair and Diagnosis >> External Pages >> Different car >> Section 30 (Module Communications Network) >> Description And Operation >> Communications Network >> Notes

Communications Network: Notes

WARNING: This page is about a different car, the 2008 Ford RV Cutaway, 2008 Ford Econoline, 2008 Ford E450 Super Duty, and 2008 Ford Cutaway. However, it is still accessible from the selected car via links, so may be relevant.

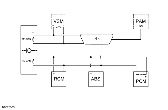
Vehicle communication utilizes the International Standards Organization (ISO) 9141 network, the medium speed controller area network (MS-CAN), and the high speed controller area network (HS-CAN). Information is sent to and from individual control modules that control specific functions. All 3 networks are connected to the data link connector (DLC). The DLC can be found under the steering column.

The 3 module communication networks are:

Fig 1: Network Topology
GF0044912Courtesy of FORD MOTOR CO.
Module Name Network Type Termination Module
ABS module HS-CAN No
Instrument cluster (IC) (gateway module) HS-CAN
MS-CAN
Yes
Yes
Parking aid module (PAM) (if equipped) ISO 9141 N/A
PCM HS-CAN Yes
Restraints control module (RCM) HS-CAN No
Vehicle security module (VSM) MS-CAN Yes